АВЗ-63Д
✓ Сертифицированное оборудование
✓ Гарантия надежной эксплуатации
✓ Контроль качества на каждом этапе
✓ Современное оборудование
✓ Быстрая отгрузка




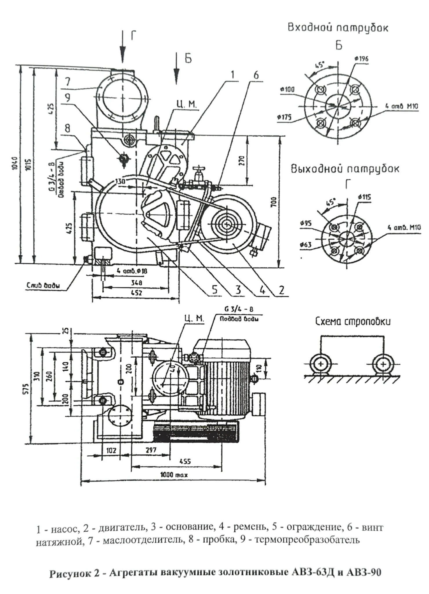
Агрегат вакуумный золотниковый типа АВЗ (АВЗ-20Д, АВЗ-63Д, АВЗ-90, АВЗ-125Д и АВЗ-180),далее по тексту агрегат, предназначен для откачки воздуха и неагрессивных газов, паров и парогазовых смесей, предварительно очищенных от капельной влаги и механических загрязнений из герметичных вакуумных систем в стационарных установках, находящихся в производственных помещениях. Агрегаты не пригодны для откачки сред взрывоопасных, отравляющих, вступающих в реакцию со смазочными маслами и разъедающих черные металлы, а также для перекачки среды между емкостями. Агрегаты выпускаются в климатическом исполнении УХЛ, категории размещения 4.2 по ГОСТ 15150-69 для эксплуатации в пожаровзрывобезопасных помещениях при атмосферном давлении окружающей среды от 84 до 106,7 кПа и температуре откачиваемой и окружающей среды от 283 до 308 К. В условном обозначении агрегата буквы и цифры означают: АВЗ — агрегат вакуумный золотниковый, 63 — быстрота действия в литрах в секунду, Д — двухступенчатый, то есть последовательное действие двух ступеней, УХЛ4.2 — вид климатического исполнения. Основными параметрами агрегатов являются быстрота действия и предельное остаточное давление. Быстрота действия измеряется в плоскости входного патрубка и represents скорость откачки, измеряемая во входном сечении насоса во время его работы. Предельное остаточное давление — давление, к которому стремится давление в стандартизованном испытательном объеме без напуска газа и при нормально работающем насосе. Оно может быть парциальным без газобалласта, полным без газобалласта или полным с газобалластом. Парциальное давление без газобалласта — давление откачиваемой среды без паров воды или парогазовых смесей с напуском балластного газа; для удаления конденсируемых паров из среды применяют вымораживание жидким азотом перед замерами. Полное давление без газобалласта — давление без напуска балластного газа. Полное с газобалластом — давление при напуске балластного газа. Напуск балластного газа предотвращает конденсацию паров воды в рабочей жидкости насоса. Перед входным контролем предельного остаточного давления насос промывают чистым вакуумным маслом и работают с максимально открытым дозатором для отгазовки. Быстрота действия измеряется в плоскости входного патрубка. Значения предельного остаточного давления и мощности приведены при условиях: рабочая жидкость — масло вакуумное марки ВМ-1, температура окружающей среды 293±5 К, температура охлаждающей воды не более 293 К, относительная влажность 45–80%, атмосферное давление 84–106 кПа. Парциальное давление без газобалласта дано при работе «на себя» с охлаждением ловушки жидким азотом. Максимальная потребляемая мощность дана при давлении на входе в насос 37,6 кПа и атмосферном давлении на выходе. Норма надежности достигается за счет использования запасных частей и обслуживания потребителем согласно паспорту. Наибольшее рабочее давление 40(300) кПа достигается при установке агрегата совместно с фильтром ФВ-650. Габаритные и присоединительные размеры приведены на рисунках 1, 2 и 2.3. Выпускаемые агрегаты постоянно совершенствуются, возможны незначительные изменения, которые могут не отражаться. Допускается комплектация агрегата ремнями и двигателями и комплектующими, не нарушающими применяемость. Допускается применение вакуумных масел ВМ-4 и ВМ-6 (ТУ 38.401-58-3-90); при этом возможно снижение быстроты действия на 10% и увеличение предельного остаточного давления на 50% от величин в таблице 1. Также допускается применение вакуумных масел Shell Tar G100, Mobil DTE и т.д.; масла, не рекомендованные паспортом, допускаются только по официальному подтверждению заводом-изготовителем. Шумовые и вибрационные характеристики сведены в приложении А. Диаграмма зависимости быстроты действия от входного давления — в приложении Б. Устройство и принцип работы. АВЗ-20Д, АВЗ-63Д и АВЗ-125Д — двухступенчатые с камерами последовательного действия, АВЗ-90 и АВ3-180 — одноступенчатые параллельного действия. Откачка происходит за счет периодического изменения объема рабочей камеры. Агрегат состоит из насоса, маслоотделителя, двигателя на основании, соединенного ременной передачей. Натяжение ремней регулируется натяжными винтами; шкивы закрыты ограждением. Вверху на корпусе насоса установлен маслоотделитель; входной и выходной патрубки закрыты заглушками. Насос состоит из корпуса, крышек, вала, эксцентриков, плунжеров, направляющих, маховика, клапанов, дозатора, газобалластного устройства, маслоотделителя и ряда крепежных элементов. В двухступенчатых насосах откачиваемая среда проходит через первую ступень во вторую через сквозную щель, в одноступенчатых — напрямую в маслоотделитель. Плунжер движется с необходимым зазором к стенкам камер. Вал насоса вращается в двух подшипниках, уплотнение обеспечивают манжеты. Для охлаждения используется водяная рубашка. В нижней части корпуса есть резьбовое отверстие для удаления воды перед разборкой. Газобалластное устройство (у АВЗ-20Д — дозатор) позволяет откачку парогазовых смесей с давлением водяного пара на входе не выше таблицы I. В устройство входят дозатор, коллектор, клапаны и другие детали. Напуск балластного газа предотвращает конденсацию водяного пара; чаще используется атмосферный воздух через дозатор, количество подач определяется так, чтобы давление смеси открыло выпускной клапан до насыщения воды. При откачке паров воды стремятся к повышению температуры насоса до максимально допустимой. Для облегчения пуска и уменьшения остаточного количества масла предусмотрены нижние расположенные заборные трубки. Выпускные клапаны обеспечивают герметичность насоса и выход откачиваемой среды; в двухступенчатых насосах предусмотрены перепускные клапаны. Смазка и подача масла происходят самотеком через маслокамеры. Залив масла в насос через отверстие маслокамера, закрытое пробкой; в АВ3-63Д и АВ3-125Д требуется вывернуть пробку для прохода масла в первую ступень; в АВЗ-20Д масло подается в первую ступень после вручную поворота маховика. Уровень масла контролируется смотровыми окнами; слив масла осуществляется через отверстие при полной вывернутой пробке. Чтобы уменьшить шум и гидроудар в клапанах, применяют искусственную течь через дроссельную шайбу в дозаторе; при загрязнении отверстия требуется осторожная чистка без увеличения диаметра. При пуске агрегата сначала удаляют из роторов избыток масла, затем пускают агрегат тремя кратковременными толчками между кнопками ПУСК и СТОП, открывают водопроводы охлаждающей воды, открывают байпас и доводят до допустимого давления, открывают входной затвор, затем закрывают байпас. Остановка осуществляется последовательностью: закрыть входной затвор, открыть затвор напуска воздуха, остановить агрегат, закрыть затвор напуска воздуха и закрыть водоподвод. При откачке водяных паров или парогазовой смеси давление паров на входе не должно превышать таблицу 1; перед пуском дозатор должен быть максимально открыт и насос прогрет до предельной температуры, охлаждение может быть временно прекращено. Затем затвор на входе открывают и поддерживают стабилизацию давления, уменьшая напуск воздуха до минимального давления без конденсации. Если при откачке конденсации не было замечено вовремя и появился водяной пар, рекомендуется запустить насос с максимально открытым дозатором и закрытым входом, либо заменить масло. При эксплуатации с пароструйным насосом периодически открывают дозатор для снижения количества воды в масле.