датчик уровня ПДУ-Н112-120-70
✓ Сертифицированное оборудование
✓ Гарантия надежной эксплуатации
✓ Контроль качества на каждом этапе
✓ Современное оборудование
✓ Быстрая отгрузка
Технические характеристики:
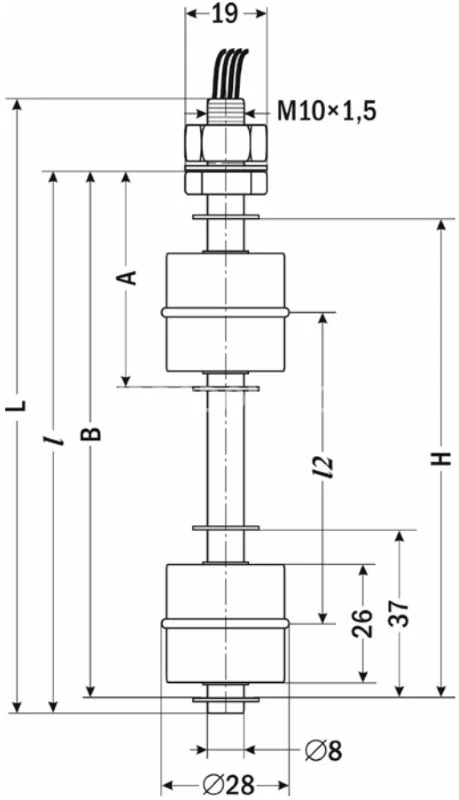
Размеры погружной части : 120×28 мм
Расстояние между поплавками: 70 мм
Присоединение: М10×1,5
масса : 70 г

Прибор для поддержания заданного уровня жидкости в резервуаре, защиты насоса от сухого хода и автоматизации процесса заполнения/опорожнения резервуара.
Количество уровней: 2
Длина погружной части: 120 мм, 220 мм, 400 мм, 800 мм
Диаметр поплавка: 28 мм
Расстояние между поплавками: 70 мм, 160 мм, 320 мм, 670 мм
Максимальная коммутируемая мощность: 50 Вт
Максимальный коммутируемый ток: примерно 0,5 А (при примерно 24 В)
Максимальное коммутируемое напряжение: примерно 220 В
Рабочее давление: 1 МПа
Рабочая температура: −30...+110 °C
Присоединение: M10×1,5
Длина проводов: 350 мм
Рабочее положение: вертикальное
Крепление: вертикальное
Материал корпуса: нержавеющая сталь
Поплавковый датчик уровня ПДУ-Н112 предназначен для поддержания уровня жидкости в резервуаре, защиты насоса от сухого хода и автоматизации процесса наполнения/опорожнения резервуара.
Особенности:
Контакт геркона может быть замыкающим или размыкающим в зависимости от того, как установлен поплавок на штоке (не во всех модификациях).
Устойчива к пене и пузырькам в жидкости.
Широкий диапазон рабочих температур.
Устойчив к агрессивным средам.
Возможна замена стандартного поплавка на поплавок размером ∅ 38×24 мм (поставляется отдельно) для эксплуатации в жидкостях с пониженной плотностью.
Модификация:
Универсальная настройка – каждый поплавок, в зависимости от способа крепления на штоке, может работать как НЗ (контакт датчика уровня размыкается при всплытии поплавка) или как НО (контакт датчика уровня замыкается при всплытии поплавка). Чтобы изменить логику работы, снимают стопорную шайбу, снимают поплавок, поворачивают его на 180°, снова надевают на шток и устанавливают шайбу на место.
Верхний поплавок – только НЗ. Он работает как НЗ независимо от способа крепления на штоке. Логику действия нижнего поплавка можно задать его положением (НЗ или НО). Для этого снимают стопорную шайбу, снимают поплавок, переворачивают его на 180°, надевают на шток и возвращают шайбу.
Нижний поплавок – только НЗ. Он работает как НЗ независимо от способа крепления на штоке. Логику действия верхнего поплавка можно задать его положением (НЗ или НО). Для этого снимают стопорную шайбу, снимают поплавок, переворачивают его на 180°, надевают на шток и возвращают шайбу.
Оба поплавка – только НЗ. Оба поплавка работают как НЗ независимо от способа их крепления на штоке.