Гидродроссель ДР10.20С
✓ Сертифицированное оборудование
✓ Гарантия надежной эксплуатации
✓ Контроль качества на каждом этапе
✓ Современное оборудование
✓ Быстрая отгрузка
Технические характеристики:
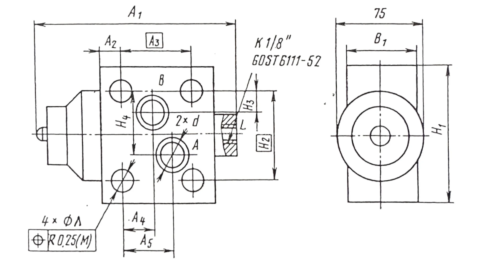
Условный проход, мм.: 10
Номинальное давление на выходе, МПа: 20
Номинальная подача, л/мин: 63
Тип монтажа: стыковой
Масса, кг.: 4,8

Гидродроссели ДР предназначены для контроля скорости движения рабочих органов путём изменения потока рабочей жидкости. Управление осуществляется вручную.
Гидродроссели функционируют на чистых минеральных маслах с кинематической вязкостью от 10 до 250 мм²/с (сСт) при температуре масла от 10 до 50 °C и температуре окружающей среды от 1 до 55 °C. Регулировка потока масла от минимального до максимального уровня осуществляется с помощью дросселя 5 и соединённого с ним лимба 3. При повороте лимба 3 по часовой стрелке поток масла увеличивается, в то время как при его вращении против часовой стрелки — уменьшается. Фиксация лимба производится с помощью винта 4.
Порядок установки:
1. При распаковке гидроаппарата необходимо осмотреть его и проверить комплектность поставки.
2. Для расконсервации гидроаппарата следует удалить консервационную смазку с наружных поверхностей и протереть их салфетками, смоченными в бензине. Внутренние поверхности расконсервации не подлежат.
3. Гидродроссель нужно устанавливать в удобном и доступном для обслуживания месте. Гидродроссель с соединениями должен крепиться четырьмя винтами к панельной плоскости или промежуточной плите, поверхность которой должна иметь шероховатость не более 1,6 мкм и неплоскостность не более 0,01 мкм на длине 100 мм. Уплотнение соединительных плоскостей осуществляется резиновыми кольцами. Гидроаппарат с резьбовыми соединениями подключается к гидросистеме через штуцеры соответствующих размеров.