Гидродроссель с обратным клапаном МДКВ32/3Ф2К
✓ Сертифицированное оборудование
✓ Гарантия надежной эксплуатации
✓ Контроль качества на каждом этапе
✓ Современное оборудование
✓ Быстрая отгрузка
Технические характеристики:
Условный проход, мм.: 32
Номинальное давление на выходе, МПа: 25
Номинальный расход рабочей жидкости, л./мин: 320
Тип монтажа: вставной (крепление фланцем)
Масса, кг: 1,4

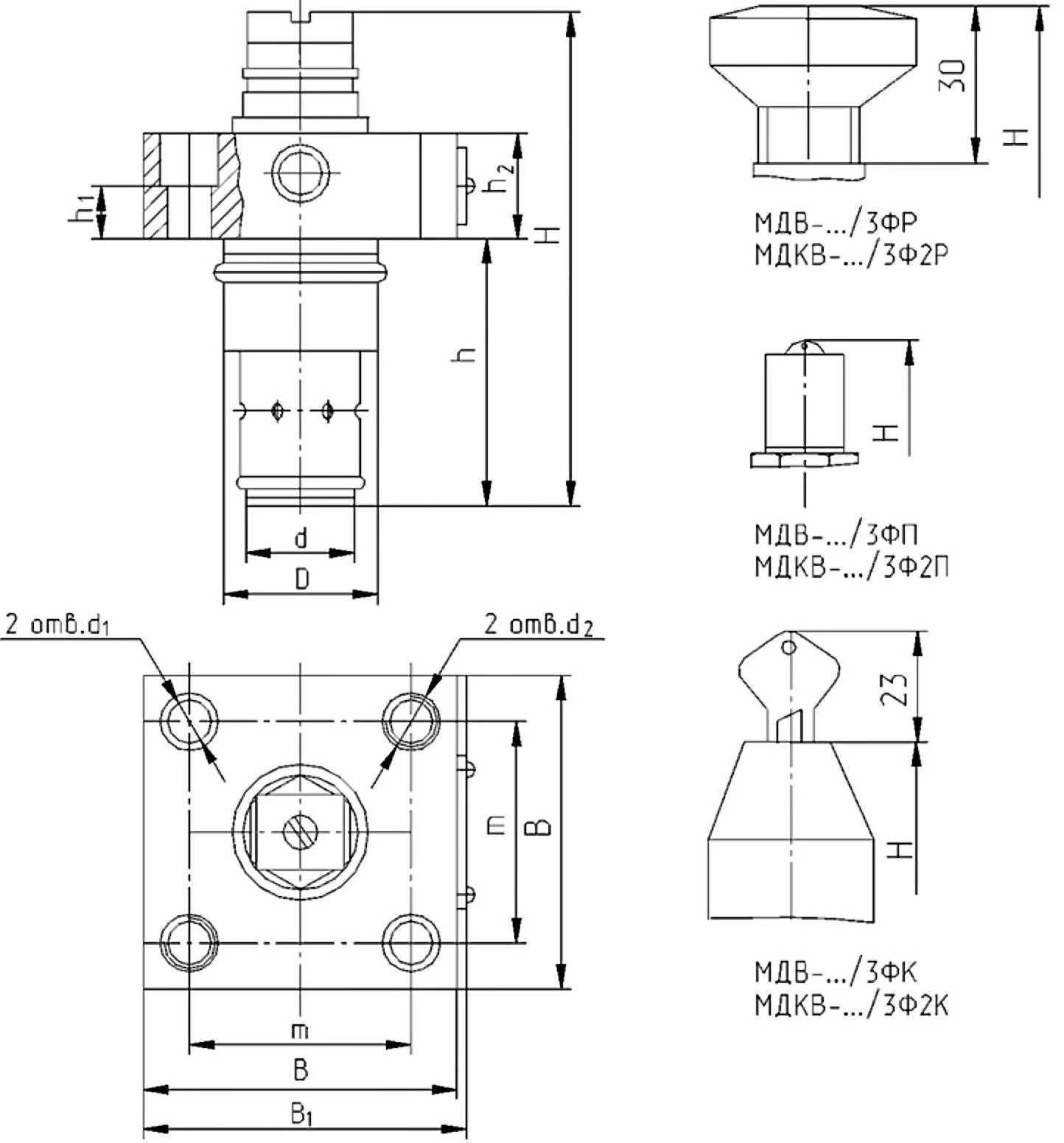
Дроссель с обратным клапаном типа МДКВ включает в себя фланец 1, в котором установлен регулировочный винт 2, взаимодействующий с внутренней частью торца дросселя 3. Дроссель 3 находится в гильзе 4, а втулка 5 соединяет фланец 1 и гильзу 4, при этом кольцо 6 ограничивает ход дросселя.
Между перегородкой дросселя 3 и буртиком винта 2 расположена пружина 7. В перегородке дросселя имеются поперечное ступенчатое отверстие с шариком 8 и ступенчатое соосное отверстие, нижняя кромка которого герметизируется обратным клапаном, представляющим собой шарик 9, который опирается на пружину 10 и внутренний торец втулки 11, закрепленной в дросселе 3 с помощью резьбы. Для предотвращения самопроизвольного отворачивания втулки 11, под ней установлено пружинное кольцо 12.
На фланце 1 имеется канал для стравливания воздуха, который закрыт пробкой 13 с резиновым уплотнением 14. Во втулке 5 выполнены радиальная расточка и продольный паз, куда устанавливается штифт 15. Этот штифт, входя в зацепление с расточкой втулки 5, предохраняет гильзу 4 от отделения в процессе демонтажа дросселя.
Гильза 4 и втулка 5 защищены резиновыми кольцами 16, 17 и фторопластовыми защитными кольцами 18, 19, в то время как регулировочный винт 2 уплотняется резиновым кольцом 20 и фторопластовым кольцом 21.
Дроссель типа МДВ имеет схожую конструкцию, но отличается в запорно-регулировочном элементе 4, в котором отсутствуют радиальный ступенчатый канал с шариком, обратный клапан и некоторые дроссельные отверстия. Также осевой канал в перегородке имеет больший диаметр. На торце запорно-регулировочного элемента имеются два дроссельных паза, а в гильзе отсутствует верхний ряд радиальных отверстий.
Регулировочные винты дросселей могут иметь либо головку под ключ, либо рукоятку. На регулировочный винт 2 накручивается контргайка 22, после чего с помощью штифта 23 к нему прикрепляется квадрат 24 или рукоятка. Винты с головкой под ключ могут быть защищены замковым устройством, содержащим защитную обойму 1 и малогабаритный замок 2, с поворотной втулкой 3, жестко связанной с замком.
Установка и запирание замкового устройства осуществляется следующим образом: поворотом ключа 4 паз втулки 3 совмещается с пазом обоймы 1, замковое устройство устанавливается на стакан управляющего клапана 8, после чего штифты попадают в продольные пазы, а штифт 7 - в кольцевую расточку втулки 3. Замыкание устройства происходит при повороте ключа 4 против часовой стрелки, когда штифт 7 фиксируется в кольцевой расточке.
Работа дросселя типа МДВ осуществляется следующим образом: поток рабочей жидкости поступает через радиальные отверстия в гильзе в выходной канал благодаря образованию дроссельной щели "г". Давление над и под перегородкой дросселя одинаковое, что позволяет пружине удерживать дроссель в прижатом состоянии. Обратный поток подводится к торцу гильзы и дросселируется на образованной щели.
Дроссель с обратным клапаном типа МДКВ функционирует следующим образом. Рабочая жидкость подается через радиальные нижние и верхние отверстия в гильзе 4, проходя через её нижние окна, она оказывает давление на шарик 8, прижимая его к краю поперечного отверстия дросселя 9. Когда регулировочный винт 2 вращается против часовой стрелки, дроссель 3 поднимается. В данной позиции, когда верхняя пара радиальных отверстий дросселя 3 и отверстие "а" попадают в наддроссельную полость гидроаппарата, происходит воздействие на шарики 8 и 9 через осевые дроссельные отверстия в перегородке. Как только давление в наддроссельной полости достигает около 0,5 кгс/см², шарик 9 отжимается от края соосного отверстия перегородки дросселя, что дает старт процессу дросселирования потока жидкости.
При дальнейшем вращении регулировочного винта 2 нижняя пара дроссельных отверстий "б" дросселя, а затем ряд основных отверстий "в", попадает в зону нижней расточки гильзы, что запускает процесс увеличения расхода.
В режиме работы обратного клапана, поток рабочей жидкости подводится к нижнему торцу гильзы 4. В этом случае, шарик обратного клапана 9 блокирует осевое отверстие перегородки дросселя 3. Дроссель 3 поднимается относительно гильзы 4, сжимая пружину 7. При этом ряд отверстий "б" и "в" дросселя 3 входит в зону нижней расточки гильзы 4, позволяя проходить потоку рабочей жидкости в нижний ряд радиальных отверстий гильзы 4. Таким образом, жидкость из пространства над перегородкой дросселя вытесняется в сливную линию через осевые и радиальные отверстия перегородки, отжимая шарик 8 от края отверстия. Дроссель (дроссель с обратным клапаном) устанавливается в монтажное отверстие.