Гидродроссель Z2FS66-30 PONAR
✓ Сертифицированное оборудование
✓ Гарантия надежной эксплуатации
✓ Контроль качества на каждом этапе
✓ Современное оборудование
✓ Быстрая отгрузка
Технические характеристики:
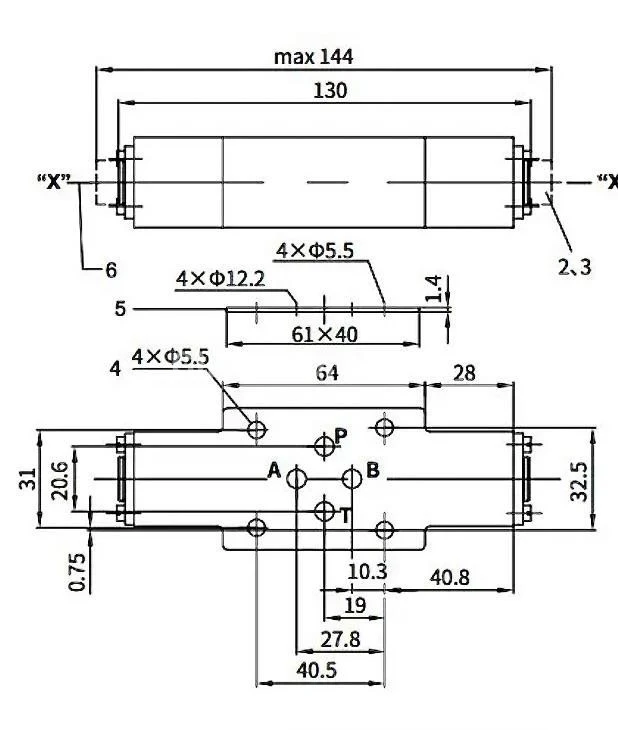
Условный проход, мм.: 6
Номинальное давление на выходе, МПа: 31,5
Номинальная подача, л/мин: 60
Тип монтажа: модульный
Масса, кг.: 0,8

Клапан регулирования расхода Z2FS66-30/S2
Клапан регулирования расхода (дроссельный клапан) Z2FS66-30/S2 представляет собой редукционный клапан с возможностью свободного возврата, выполненный в виде модульного сэндвича.
Он предназначен для ограничения потока гидравлического масла в установленной линии. Два дроссельных клапана со свободным возвратом, расположенные симметрично, ограничивают поток в одном направлении и обеспечивают свободное возвращение в противоположном.
На входном штуцере жидкость поступает через порт и направляется к зоне ограничения потока, которая формируется седлом клапана и поршнем дросселя. Поршень может перемещаться в осевом направлении с помощью бокового винта, что предоставляет возможность регулировать уровень дросселирования.
Клапан Z2FS также оснащен платой для «инверсии» точки регулирования, что позволяет настраивать поток с контролем как на входе, так и на выходе (в зависимости от того, установлен ли расходомер на входе или выходе).