Гидроклапан КХД16-320
✓ Сертифицированное оборудование
✓ Гарантия надежной эксплуатации
✓ Контроль качества на каждом этапе
✓ Современное оборудование
✓ Быстрая отгрузка
Основные параметры клапана:
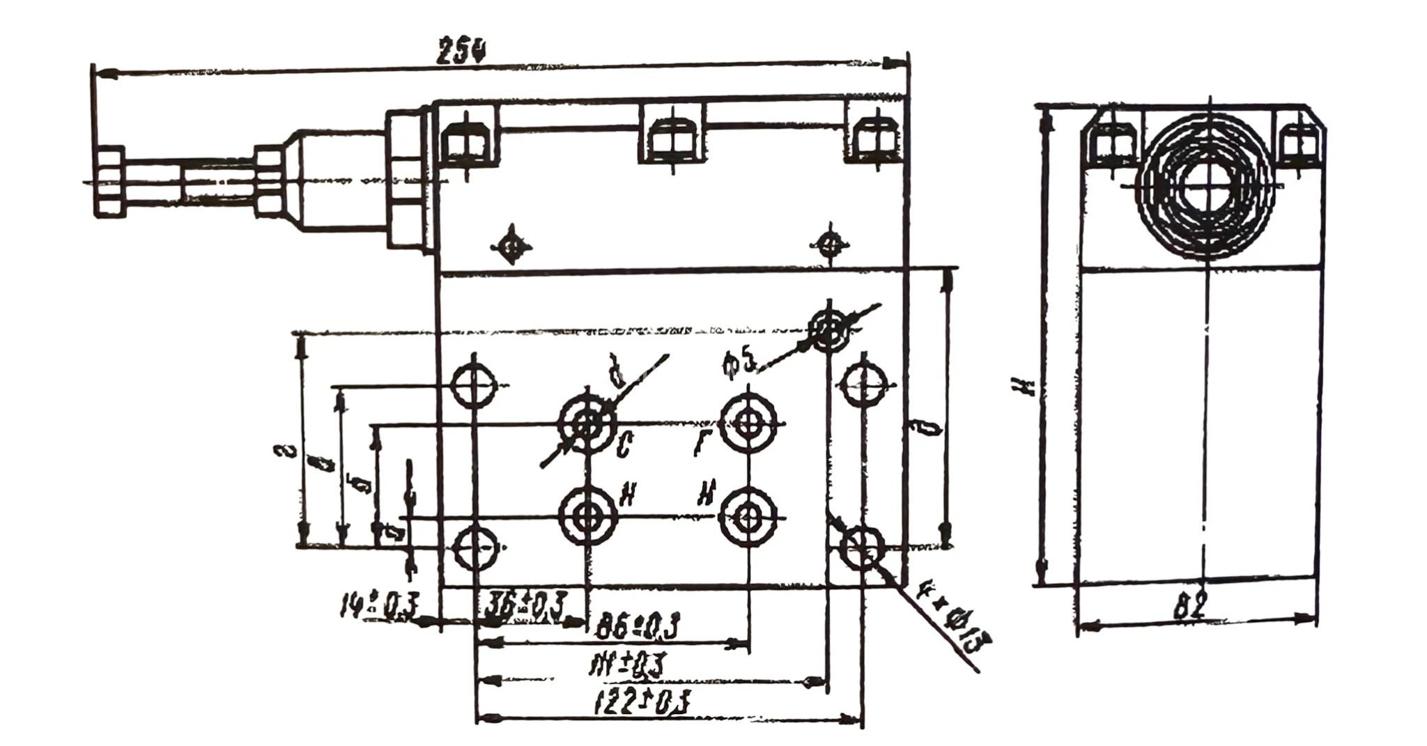
Диаметр условного прохода - 16 мм
Давление нагнетания ном. - 32 МПа
Расход рабочей жидкости ном. - 50 л
Присоединение : стыковое

Гидроклапаны используются совместно с гидроаккумуляторами и гидравлическими силовыми системами при неравномерном или эпизодическом потреблении рабочей жидкости под давлением. Они работают на минеральных маслах с фильтрацией 25 мкм и кинематической вязкостью от 20 до 250 мм²/с, а также 32 мм. Гидроклапаны имеют климатическое исполнение УХЛ и О категории размещения 4 по ГОСТ 15150-69. Конструкция включает седла, регулировочный винт, пружины, демпферы, втулки, упоры и корпус пружины. Уплотнение достигается с помощью резинок. Правый шариковый клапан открывается и удерживается в этом положении левым клапаном. Пружинное пространство переливного клапана соединяется с сливом через правый шариковый клапан, в то время как переливной клапан сбрасывает весь поток насоса при низком давлении. При снижении давления в системе гидроаккумулятора до установленного уровня правый шариковый клапан закрывается, и насос переключается на подзарядку гидроаккумулятора. Прочность клапанов составляет 10.9 по ГОСТ 1759-70, а уплотнение стыков осуществляется резиновыми кольцами. Давление срабатывания гидроклапана регулируется посредством регулировочного винта.