Каталог
0

Гидроклапан предохранительный MRV-03P-K3

Нет на складе
Есть в наличии
0
5 400
+
Безопасность и конфиденциальность

Сертифицированное оборудование

Гарантия надежной эксплуатации

Гарантия доставки

Контроль качества на каждом этапе

Современное оборудование

Быстрая отгрузка

Описание

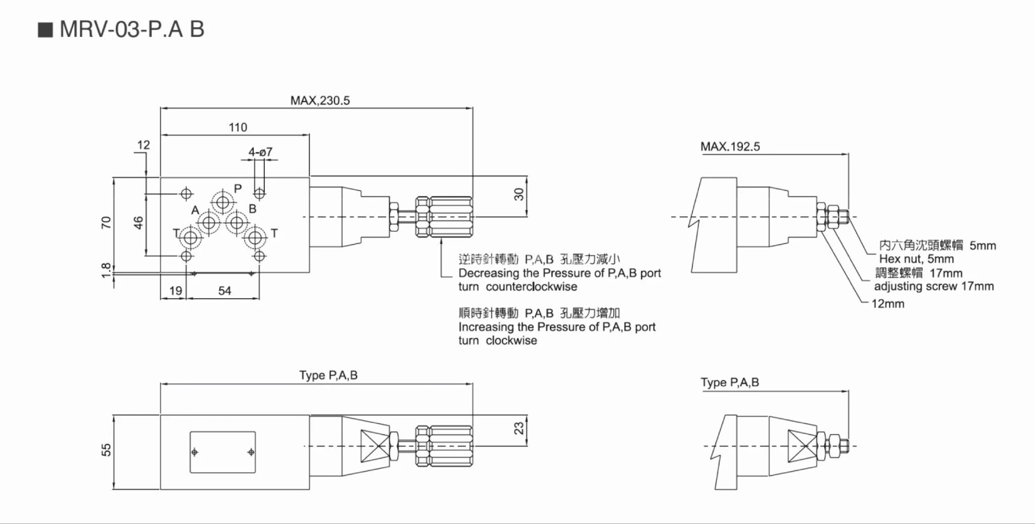
Основные параметры клапана:

Диаметр условного прохода - 10 мм

Давление нагнетания ном.- 31,5 МПа

Расход рабочей жидкости ном. - 70 л

Тип монтажа : модульный

Title 1, Гидроклапан предохранительный MRV-03P-K3Модульный предохранительный клапан (MRV) - это аксессуар для обеспечения безопасности давления, который защищает насос от перегрузок. Если давление в системе превышает заданный предел, MRV сбрасывает избыточное гидравлическое масло обратно в резервуар. Это способствует поддержанию стабильности системы и предотвращает аварийные ситуации, вызванные избыточным давлением.