Гидроклапан предохранительный СКП-C12/6,3 (Мпа 6,3)
✓ Сертифицированное оборудование
✓ Гарантия надежной эксплуатации
✓ Контроль качества на каждом этапе
✓ Современное оборудование
✓ Быстрая отгрузка
Основные параметры клапана:
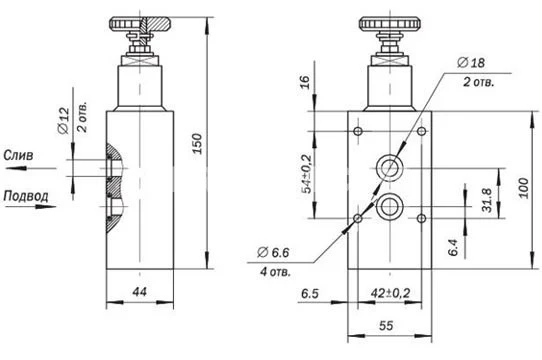
Диаметр условного прохода - 12 мм
Давление нагнетания ном. - 6,3 МПа
Расход рабочей жидкости ном. - 5 л
Тип монтажа : притычный

Клапаны предохранительные типов СКП 12/6,3, СКП 12/25, СКП 12/63, СКПC 12/6,3, СКПC 12/25 и СКПC 12/63 по ТУ2-053-1593-82 предназначены для защиты систем смазки от превышения давления и поддержания стабильного давления в системе. Они работают с чистыми минеральными маслами с кинематической вязкостью от 20 до 350 мм²/с при температуре от +5 до +50 °С, а окружающая среда должна находиться в пределах +1 до +40 °С. Эти предохранительные клапаны автоматически сбрасывают излишек рабочей жидкости из гидросистемы смазки высокого давления в систему низкого давления при критическом повышении давления.
Клапан состоит из заглушки, заслонки, седла, упора, корпуса, винта, пружины, гайки, кольца и нескольких пробок. Седло фиксируется в корпусе с помощью втулки. Прижим клапана к седлу осуществляется через тарельчатый упор при помощи пружины. Длина пружины, создающей усилие, регулируется вращением винта, что приводит к смещению пробки по резьбе втулки. Чтобы предотвратить самопроизвольный поворот винта при вибрации, он фиксируется гайкой. Заглушка и цилиндрическая направляющая образуют демпферную полость.
Принцип работы клапана заключается в следующем: масло поступает в коническую запорную часть клапана и через отверстия в нем — в демпферную полость. При превышении давления в системе над установленным значением пружины клапан приподнимается, и через образовавшуюся щель масло сливается.