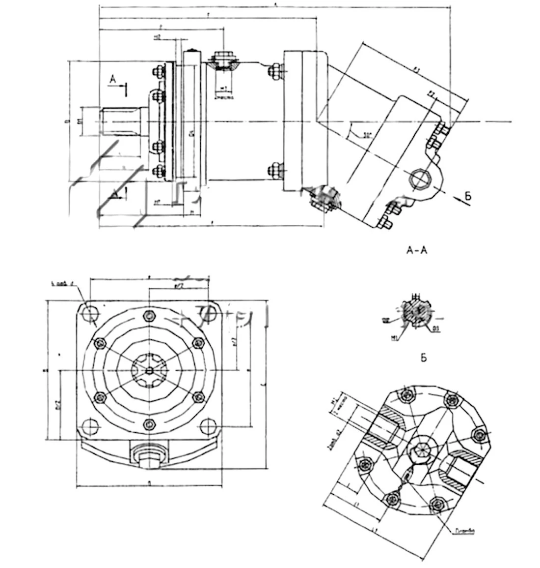
Гидромотор аксиально-поршневой БР2.957.021
✓ Сертифицированное оборудование
✓ Гарантия надежной эксплуатации
✓ Контроль качества на каждом этапе
✓ Современное оборудование
✓ Быстрая отгрузка
Технические характеристики:
Номинальная подача, л/мин: 37,1
Номинальное давление на выходе, МПа: 6,3
Частота вращения, об./мин.: 960
Масса, кг: 11

Аксиально-поршневой мотор БР2.957.021 представляет собой гидравлическое устройство, предназначенное для передачи механической энергии, используя принцип аксиально-поршневого действия. Он создан для применения в различных машинах и механизмах, требующих надежного и мощного источника动力. Основными техническими характеристиками данного мотора являются его рабочий объем, максимальное давление, скорость вращения и мощность. Рабочий объем этого мотора обеспечивает определенную производительность в зависимости от рабочего давления, а максимальное давление характеризует его способность выдерживать нагрузки без риска повреждения.
Состав изделия включает в себя корпус, в котором размещены аксиальные поршни, вал, система уплотнений и сопло для подачи рабочей жидкости. Корпус, как правило, выполнен из прочного материала, например, из легированной стали, чтобы обеспечить его долговечность и защиту от коррозии. Внутри расположены поршни, которые двигаются под действием давления рабочей жидкости, создавая крутящий момент на валу. Важным элементом являются также уплотнения, которые предотвращают утечку масла и улучшают эксплуатационные свойства мотора.
Принцип работы аксиально-поршневого мотора БР2.957.021 основан на использовании давления жидкости, которая подается в камеру, создаваемую между корпусом и поршнями. Когда рабочая жидкость поступает под давлением, поршни начинают двигаться, активируя вращение вала. Направление вращения можно изменить путем изменения направления подачи жидкости. Внутреннее устройство мотора сконструировано таким образом, чтобы обеспечить устойчивую и равномерную работу, позволяя мотору поддерживать высокую производительность даже в условиях значительных нагрузок. В результате, аксиально-поршневой мотор БР2.957.021 может использоваться в самых различных областях, включая строительную технику, сельское хозяйство и промышленность, где важны мощность и надежность работы.