гидромотор героторный TF0280HK260AAAA Parker
✓ Сертифицированное оборудование
✓ Гарантия надежной эксплуатации
✓ Контроль качества на каждом этапе
✓ Современное оборудование
✓ Быстрая отгрузка
Технические характеристики:
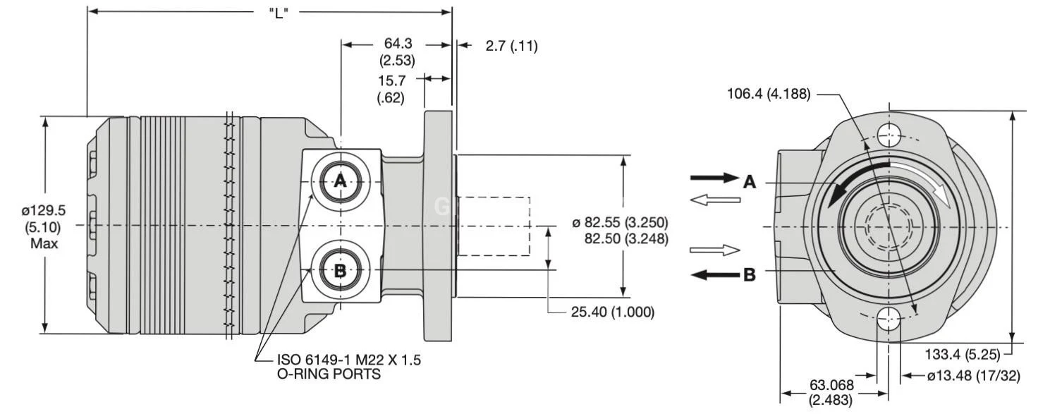
Рабочий объем, см3: 315
Номинальная подача, л/мин: 60
Номинальное давление на выходе, МПа: 21
Частота вращения, об./мин.: 1–190
Масса, кг: 15,5

Надежный двигатель для экстремальных условий эксплуатации
Двигатели серии TF от Parker обладают прочной конструкцией, что делает их идеальными для использования в тяжелых условиях. Они оснащены уникальной геометрией шлицев 60:40, что обеспечивает высокую прочность. Все шлицы постоянно омываются охлаждающей жидкостью, что способствует долговечности устройства. Роликовые лопасти и герметичная коммутация гарантируют высокий объемный коэффициент полезного действия, плавную работу на низких оборотах и продолжительный срок службы. Уплотнения вала выдерживают полное давление системы и также омываются охлаждающей жидкостью для повышения их долговечности.
Номинальная частота повторных запусков составляет 10% каждую минуту, а промежуточный режим работы допускает максимальные 10% от времени использования. Данные о производительности основаны на испытаниях с использованием масла 10W40 с вязкостью 200 SUS при температуре 54 °C (130 °F). Эти показатели являются типичными, и фактические параметры могут немного варьироваться в зависимости от конкретной модели двигателя.
Максимальная промежуточная нагрузка составляет 10% в течение минуты, а возможность периодического функционирования также равна 10% каждую минуту. Технические данные были получены на основе испытаний с использованием масла 10W40 с вязкостью 200 SUS при 54 °C (130 °F). Предоставленная информация представляет собой типичные значения, реальные параметры могут немного отличаться между разными образцами.