Гидромотор высокомоментный лопастной ВЛГ-400А
✓ Сертифицированное оборудование
✓ Гарантия надежной эксплуатации
✓ Контроль качества на каждом этапе
✓ Современное оборудование
✓ Быстрая отгрузка
Технические характеристики:
Номинальная подача, л/мин: 110
Номинальное давление на выходе, МПа: 10
Частота вращения, об./мин.: 2800
Масса, кг: 86

ВЛГ-400А — высокомоментный лопастной гидромотор, который используется в различных гидравлических системах, таких как строительное, горное и сельскохозяйственное оборудование. Данный гидромотор обеспечивает высокую выходную мощность при относительно компактных размерах.
Технические характеристики:
- **Максимальный момент**: Обычно около 400 Н·м (но точные значения могут варьироваться в зависимости от конкретной модели и условий работы).
- **Рабочее давление**: В диапазоне от 16 до 25 Мпа (160 — 250 атм).
- **Частота вращения**: Может варьироваться, но в пределах 0-300 об/мин, в зависимости от нагрузки и конструкции.
- **Объем рабочей камеры**: Около 400 см³ (может различаться в зависимости от модели).
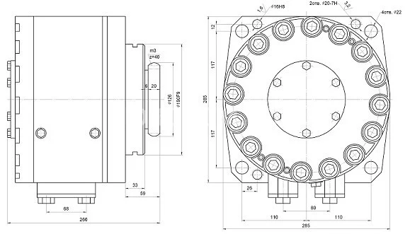
- **Размеры и вес**: Зависит от исполнения, однако может иметь стандартные размеры, обеспечивающие легкость установки в различные гидравлические системы.
Состав изделия:
1. **Корпус**: Изготовлен из прочного материала, как правило, стали или чугуна, для обеспечения прочности и долговечности.
2. **Лопасти**: Изготавливаются из специального высокопрочного сплава или стали и могут иметь антикоррозионное покрытие.
3. **Ротор**: Составная часть, внутри которой расположены лопасти и происходит движение рабочей жидкости.
4. **Поршни и уплотнительные элементы**: Обеспечивают герметичность рабочей камеры и эффективное перемещение рабочей жидкости.
Устройство:
Гидромотор состоит из следующих ключевых элементов:
- **Корпус** (обычно цилиндрической формы),в который помещен ротор с движущимися лопастями.
- **Шлицы** для соединения с приводом.
- **Уплотнительные элементы**, которые предотвращают утечку рабочей жидкости и обеспечивают надежную герметизацию внутри устройства.
- **Системы управления**, которые могут регулировать подачу жидкости и, соответственно, момент, генерируемый гидромотором.
Принцип работы:
1. **Подвод рабочей жидкости**: Гидравлическая жидкость под постоянным давлением подается в рабочую камеру гидромотора.
2. **Движение лопастей**: Под воздействием давления жидкости лопасти, размещенные на роторе, начинают двигаться, создавая вращение.
3. **Вращение ротора**: Ротор начинает вращаться, передавая крутящий момент на вал, к которому он прикреплён.
4. **Выход жидкостей**: Жидкость, прошедшая через рабочую камеру, отводится и возвращается в систему или на бак.
Эти характеристики делают ВЛГ-400А подходящим для применения в условиях, требующих высокой мощности и надежности.