Гидрораспределитель 081 WV10P1M100 0WS024/00DO BOSCH
✓ Сертифицированное оборудование
✓ Гарантия надежной эксплуатации
✓ Контроль качества на каждом этапе
✓ Современное оборудование
✓ Быстрая отгрузка
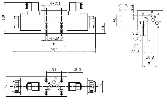
Основные технические данные
Условный проход : 10мм
Рабочее давление: 35МПа
Пропускная способность: 120л.
Напряжение: 12DC, 24DC, 110AC, 220AC
Тип монтажа: модульный (стыковой, плиточный)
Масса : 4,5 кг с одним эл.магнитом, 6,1 кг - с двумя эл.магнитами
Схема распределения потока рабочей жидкости:


В данных агрегатах основным рабочим элементом является запорно-регулирующий элемент – золотник (золотниковый клапан). Благодаря смещению подвижной части, относительно отверстий в поверхности, по которой скользит, он направляет поток масла или газа. Чаще всего золотник представляет собой цилиндр с переменным диаметром. Однако существуют и другие конструкции таких агрегатов – крановые и коробчатые.
Цилиндрический золотник занимает 3 позиции. В нейтральной каналы распределителя заперты. Соответственно, рабочая среда от насоса не поступает ни в одну из полостей, а шток гидроцилиндра не перемещается. Смещение клапана влево приводит к выдвижению штока (из-за поступления жидкости в гидроцилиндр (по корпусным каналам в левую полость)). Смещение же золотника вправо (относительно нейтрального положения) приводит к поступлению среды в правую полость гидроцилиндра. Такое перемещение сопровождается сливом жидкости в гидробак (из левой полости). В правом положении золотника происходит выдвижение штока.
Функция безопасности не может быть присвоена системам ручного управления. Использовать блоки ручного управления разрешается только при давлении в баке, не превышающем 50 бар. Если давление в баке оказывается выше 50 бар, невозможно гарантировать, что клапан останется в положении, установленном вручную на «N5». Перед тем как начать эксплуатацию оборудования, необходимо снять защитный колпачок. Если параметры производительности клапана превышают допустимые пределы, нужно будет установить дроссельные вставки. Это не подходит для низкотемпературной версии . При использовании дроссельных вставок в канале T давление в рабочих портах, а также при подключении к бакам не должно превышать 210 бар.
Что касается функции в разделе, 5-камерный распределитель типа представляет собой электромагнитный золотниковый распределитель с увеличенным временем переключения, который управляет запуском, остановкой и направлением потока. Этот распределитель состоит из корпуса, одного или двух электронных соленоидов, золотника управления и возвратных пружин. В состоянии без питания золотник управления удерживается в центральном или исходном положении с помощью возвратных пружин, за исключением клапанов без пружины типа «O». При подаче питания на мокрый штифтовой электронный соленоид золотник управления перемещается из состояния покоя в требуемое конечное положение, открывая тем самым нужное направление потока в соответствии с выбранным символом. После отключения питания на электронный соленоид золотник возвращается в центральное или исходное положение, кроме случаев с клапанами, имеющими фиксатор «OF», и клапанами без пружины типа «O». Ручное управление позволяет вручную переключать клапан без подачи питания на соленоид. Для надежной работы необходимо убедиться, что напорная камера соленоида заполнена маслом.