Гидрораспределитель 24ПГ72-34
✓ Сертифицированное оборудование
✓ Гарантия надежной эксплуатации
✓ Контроль качества на каждом этапе
✓ Современное оборудование
✓ Быстрая отгрузка
Основные технические данные
Условный проход : 8мм
Рабочее давление: 20МПа
Пропускная способность: 8 л.
Напряжение: 36в., 110в., 220в,380в.
Тип монтажа: модульный (стыковой, плиточный)
Масса : не более 3,5 кг
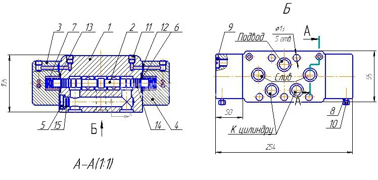
Схема распределения потока рабочей жидкости:


Гидрораспределитель ПГ72-34 – это сложный, но функциональный компонент, представляющий собой составной гидравлический механизм, предназначенный для управления потоками рабочей жидкости в разнообразных гидравлических системах. Его сфера применения невероятно широка и охватывает множество областей, включая металлообработку, прессовое производство, общее машиностроение, а также строительство и дорожное хозяйство. В essence, этот распределитель является ключевым элементом в управлении гидравлическими системами мобильных машин различного назначения – от станков высокой точности до мощных строительных агрегатов.
В основе работы ПГ72-34 лежит принцип переключения потоков рабочей жидкости путем перемещения золотника внутри корпуса. Корпус распределителя содержит тщательно спроектированную систему каналов, обеспечивающих подачу, нагнетание и отвод рабочей жидкости. Золотник, являющийся центральным элементом, аккуратно перемещается внутри корпуса, открывая и закрывая доступ жидкости к различным каналам. Это позволяет управлять направлением и давлением потока, обеспечивая точное и надежное функционирование всей гидравлической системы. Ключевой особенностью конструкции ПГ72-34 является простота механического управления золотником. Это означает, что оператор вручную перемещает золотник в нужное положение, включая и выключая необходимые каналы, тем самым регулируя работу гидравлической системы. Возвращение золотника в нейтральное положение также осуществляется вручную.
Более детальное понимание гидравлической схемы ПГ72-34, включая количество каналов, их назначение и последовательность работы, можно получить, обратившись к технической документации. Первые две цифры в артикуле модели содержат зашифрованную информацию о специфике работы конкретного распределителя, позволяя специалистам быстро понять его функциональные возможности. Эта система кодирования существенно упрощает процесс идентификации и выбора подходящего варианта распределителя для конкретной гидравлической системы.
Важным аспектом конструкции является тип присоединения – стыковое соединение. Этот тип соединения обеспечивает надежное и герметичное подключение распределителя к остальным элементам гидравлической системы, минимизируя риск утечек рабочей жидкости и обеспечивая стабильную работу системы в целом. Выбор стыкового соединения обусловлен стремлением к простоте монтажа и высокой надежности, что является характерным признаком болгарских производителей гидравлического оборудования.
Гидрораспределители болгарского производства зарекомендовали себя как высококачественные и надежные компоненты гидравлических систем. Они сочетают в себе превосходные эксплуатационные характеристики с относительно невысокой ценой. Это делает их привлекательным вариантом для широкого круга потребителей, заинтересованных в экономически выгодном и одновременно надежном решении. Наличие различных конфигураций и вариантов исполнения позволяет выбрать оптимальный распределитель для любых специфических требований гидравлической системы, обеспечивая максимальную эффективность и надежность работы.
Гидрораспределитель ПГ72-34 отличается высокой точностью регулировки, что позволяет точно установить необходимую скорость потока рабочей жидкости. Такая точность регулировки особенно важна в тех системах, где требуется плавное и контролируемое управление гидравлическими приводами. Производительность модели заявлена на уровне 80 [ед. измерения не указаны в исходном тексте, предположительно, л/мин]. Это значение характеризует объем рабочей жидкости, который распределитель способен пропускать за единицу времени, что напрямую влияет на скорость и мощность гидравлического привода. Высокая производительность в сочетании с точностью регулировки делает ПГ72-34 универсальным и эффективным решением для широкого спектра задач в области мобильной гидравлики. Наличие подробной технической документации и различные варианты исполнения позволяют легко интегрировать этот распределитель в существующие или проектируемые гидравлические системы, обеспечивая их надежную и бесперебойную работу. Качество исполнения и надежность, заложенные в основу конструкции 14ПГ72-34, гарантируют долгий срок службы и минимальные затраты на обслуживание.