Гидрораспределитель 4DO2.3103.0501.B1GOQ Denison
✓ Сертифицированное оборудование
✓ Гарантия надежной эксплуатации
✓ Контроль качества на каждом этапе
✓ Современное оборудование
✓ Быстрая отгрузка
Основные технические данные
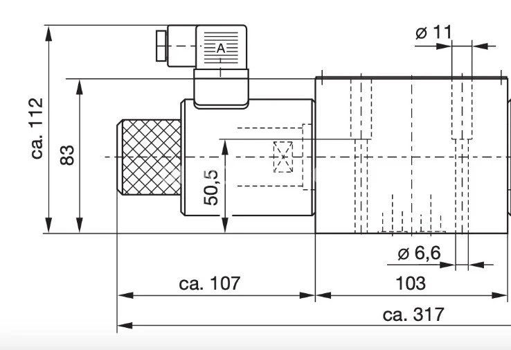
Условный проход : 10мм
Рабочее давление: 35МПа
Пропускная способность: 120л.
Напряжение: 12DC, 24DC, 110AC, 220AC
Тип монтажа: модульный (стыковой, плиточный)
Масса : 4,5 кг с одним эл.магнитом, 6,1 кг - с двумя эл.магнитами
Схема распределения потока рабочей жидкости:


Гидрораспределительные клапаны 4D02* являются элементами гидравлического привода, которые регулируют поток рабочей жидкости от насосов к различным исполнительным механизмам и резервуарам. Эти устройства содержат золотник, выполняющий функцию рабочего органа, и корпус с одним или двумя электромагнитами (соленоидами),которые управляют его движением. Гидрораспределители 4D02* имеют условный проход диаметром 10 мм и соответствуют стандарту CETOP05.
Разнообразные конструкции управляющего золотника позволяют создавать разные схемы распределения, включая двух- и трехпозиционные решения, а также варианты с фиксированием золотника в крайних положениях. Движение золотника обеспечивается электромагнитными катушками, работающими на постоянном или переменном токе, а его возврат в нейтральное положение осуществляется за счет возвратной пружины. Гидрораспределители 4D02* имеют четыре линии: выходы маркируются как Р, А, В и Т.