Гидрораспределитель 4WE10 Y33/CW230N9K4/V Rexroth
✓ Сертифицированное оборудование
✓ Гарантия надежной эксплуатации
✓ Контроль качества на каждом этапе
✓ Современное оборудование
✓ Быстрая отгрузка
Основные технические данные
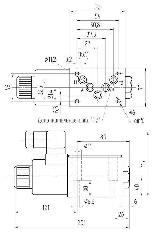
Условный проход : 10мм
Рабочее давление: 35МПа
Пропускная способность: 120л.
Напряжение: 12DC, 24DC, 110AC, 220AC
Тип монтажа: модульный (стыковой, плиточный)
Масса : 4,5 кг с одним эл.магнитом, 6,1 кг - с двумя эл.магнитами
Схема распределения потока рабочей жидкости:


Распределители типа WE представляют собой устройства, которые оборудованы электромагнитами, контролирующими запуск, остановку и направление потока жидкости. Их конструкция включает корпус, содержащий один или два электромагнита, управляющий механизм и одно или два возвратных устройства. В отсутствие питания управляющий механизм остается в нейтральном положении благодаря возвратным пружинам, за исключением моделей с импульсными функциями. Управление золотником выполняется с использованием мокрого штифта электромагнитов, и необходимо, чтобы камера давления электромагнита была заполнена жидкостью для надлежащей работы.
Сила, создаваемая электромагнитами, передается через плунжер на механизм управления, что позволяет ему перемещаться из нейтрального положения в конечное, тем самым направляя поток от порта P к A и от B к T или наоборот — от P к B и от A к T. При отключении питания управляющий механизм возвращается в нейтральное состояние под воздействием возвратных пружин.
Версия 4WE 10 предназначена для распределителей, имеющих два переключения и два электромагнита, однако она не имеет фиксирующего механизма. Это означает, что при отключении электромагнитов распределитель не сохраняет четко фиксируемое положение.
Существует альтернативная версия, тип 4WE 10., представляющая собой импульсный золотник для обозначений A, C и D. Эта версия включает фиксирующий механизм и предназначена для распределителей с двумя переключениями и двумя электромагнитами, где оба положения переключаются и фиксируются поочередно, что устраняет необходимость в постоянном питании для электромагнита.
Стоит упомянуть, что резкие колебания давления в линии, соединяющей несколько клапанов, могут привести к нежелательным движениям золотника, особенно в случае использования клапанов с фиксирующими механизмами. В связи с этим рекомендуют использовать либо отдельную линию, либо установить обратный клапан в этой линии.
Что касается картриджного дросселя, его установка становится обязательной, если в специфических условиях эксплуатации возникают потоки, превышающие допустимые значения, указанные в спецификациях клапана. Дроссель устанавливается в канале P распределителя. Установленные пределы мощности переключения предназначены для приложений с двумя направлениями потока: от P к A и обратно от B к T. Однако допустимый уровень мощности может значительно снизиться, если поток осуществляется только в одном направлении. Для получения дополнительных разъяснений в подобных случаях рекомендуется консультация со специалистами. Параметры мощности, даже во время переключения, были измерены с электромагнитами при рабочей температуре с учетом 10% под напряжением и при отсутствии обратного давления в системе.