Гидрораспределитель D81VW004C4NJW91 Parker
✓ Сертифицированное оборудование
✓ Гарантия надежной эксплуатации
✓ Контроль качества на каждом этапе
✓ Современное оборудование
✓ Быстрая отгрузка
Основные технические данные
Условный проход : 20мм
Рабочее давление: 32МПа
Пропускная способность: 600л.
Напряжение: 24в., 110в., 220в.
Тип монтажа: модульный (стыковой, плиточный)
Масса : 20 кг
Схема распределения потока рабочей жидкости:


Общее описание
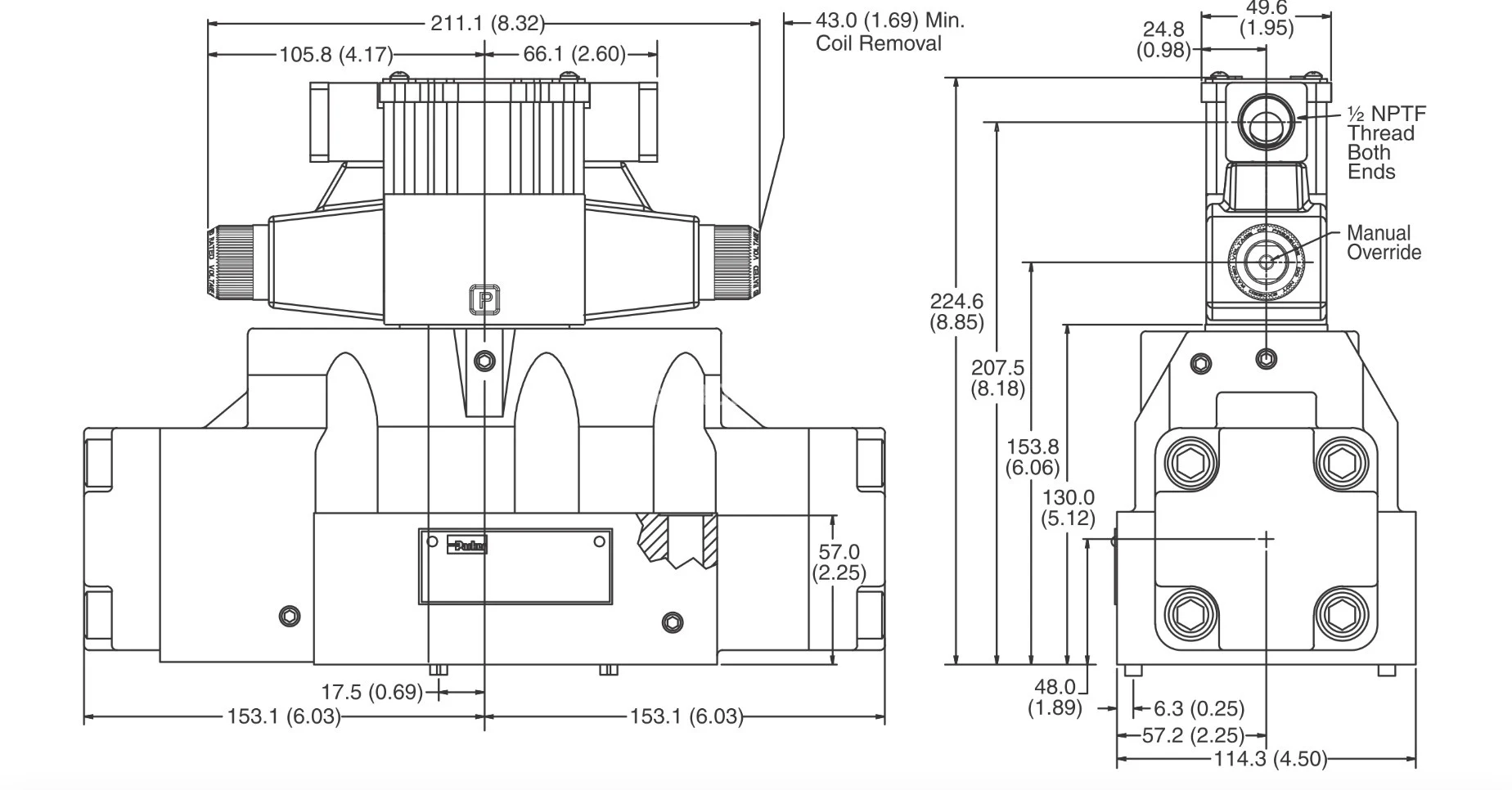
Направляющие распределители Parker D81VW доступны в 2- или 3-позиционном исполнении. Это клапаны, монтируемые на коллекторе или плите, которые соответствуют монтажным схемам NFPA D08, CETOP 8.
Эксплуатация
Стандартно пилотные клапаны D81VW оборудованы золотниками с низким ударом и пилотным отверстием. Это отверстие можно демонтировать для обеспечения более быстрого переключения, однако для всех систем, работающих с давлением выше 138 бар (2000 фунтов на кв. дюйм),настоятельно рекомендуется использование стандартного клапана во избежание сильного удара.
Особенности
Эти клапаны имеют конструкцию с малым перепадом давления, закаленные золотники, которые увеличивают срок службы, а также опцию быстрого реагирования и взрывозащищенное исполнение. На выбор предлагается широкий диапазон напряжений и вариантов электрических соединений, а для снятия катушки не требуется использование инструмента.
Время отклика
Время отклика (в миллисекундах) рассчитывается при давлении в 345 бар (5000 фунтов на кв. дюйм) и расходе 195 л/мин (50 галлонов в минуту) с различными значениями давления в пилотной системе. Однако из-за интенсивных переходных процессов давления в сливной линии, возникающих во время переключения, использование опции быстрого отклика не рекомендуется при давлении на пилоте, превышающем 138 бар (2000 фунтов на кв. дюйм).