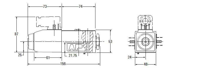
Гидрораспределитель DG4V5-2B-MU-C6 20 VICKERS
✓ Сертифицированное оборудование
✓ Гарантия надежной эксплуатации
✓ Контроль качества на каждом этапе
✓ Современное оборудование
✓ Быстрая отгрузка
Основные технические данные
Условный проход : 10мм
Рабочее давление: 35МПа
Пропускная способность: 120л.
Напряжение: 12DC, 24DC, 110AC, 220AC
Тип монтажа: модульный (стыковой, плиточный)
Масса : 4,5 кг с одним эл.магнитом, 6,1 кг - с двумя эл.магнитами
Схема распределения потока рабочей жидкости:


Ассортимент четырехпортовых соленоидных распределителей направленного управления с конструкцией четырехсекционного золотника для обеспечения плавной, переменной скорости срабатывания клапана.
Электромагнитный гидрораспределитель предназначен для регулировки потока гидравлической жидкости в любой части гидросистемы.
Использование гидрораспределителей имеет ряд очевидных достоинств. Во-первых, они обеспечивают эффективное управление гидросистемой при увеличенной мощности без необходимости наращивания мощности электромагнитов. Во-вторых, такие устройства отличаются экономичностью, что помогает сэкономить свободное пространство, потребляемую мощность и массу. Производительность системы увеличивается благодаря усовершенствованной технологии изготовления золотников и их посадочных мест. Уникальный дизайн гарантирует надежное функционирование при высоком давлении и расходе жидкости, а также позволяет гибко устанавливать оборудование благодаря множеству вариантов электромагнитов и коннекторов. Дополнительно, гидрораспределители могут функционировать с различными рабочими средами без необходимости замены уплотнителей и продемонстрировали высокую производительность и надежность, прошедшую испытания более 20 миллионов рабочих циклов. Замена электромагнитов осуществляется просто, без риска утечки масла. Компактный и высокоэффективный дизайн совместим с плитами Vickers®System Stak™, что обеспечивает надежную эксплуатацию при расходах до 120 л/мин и давлении до 350 бар, открывая новые возможности выбора клапанов для дизайнеров и инженеров. Модели предлагают высокоэффективные и стандартные характеристики. Данная разработка основывается на опыте компании Eaton, одного из мировых лидеров в производстве клапанов размера 03, и предоставляет проектировщикам выбор наиболее эффективных систем для конкретных приложений. Интерфейс соответствует всем международным стандартам. Установочная поверхность клапана отвечает требованиям ISO 4401 размера 03 и другим взаимозаменяемым стандартам благодаря оптимизации конструкции клапана, золотника и его хода, что в результате приводит к улучшению общей эффективности.
Промышленный дизайн пружины и профиль характеристик DC электромагнита гарантируют надежное срабатывание золотника даже в сложных условиях, что обеспечивает стабильную работу при включении и отключении. Для удобства предусмотрен ручной дублирующий механизм с защитой от повреждений. Уплотнение, расположенное внутри, предотвращает протекание и повреждение при активации механизма, что исключает появление загрязняющих масляных капель. Небольшой диаметр гнезда ручного дублирования снижает риск случайного срабатывания.
Что касается удобства эксплуатации, то конструкция с сухим якорем электромагнита и поворачивающимся сердечником позволяет демонтировать клапан с установочной поверхности без риска утечки масла и загрязнения рабочей среды.
Однако важно учесть некоторые особенности эксплуатации: в зависимости от применения и системы фильтрации золотник, находящийся под напряжением длительное время, может застрять или не сработать сразу из-за накопления абразивных частиц. Поэтому для предотвращения данной проблемы может потребоваться периодическое переключение. Также стоит учитывать, что колебания рабочей жидкости в общем сливном канале двух или более клапанов могут достигать высоких значений, что может привести к непроизвольному срабатыванию клапанов.