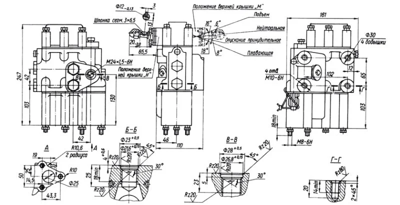
Гидрораспределитель Р80-3/1-221 (МР80-4/1-221)
✓ Сертифицированное оборудование
✓ Гарантия надежной эксплуатации
✓ Контроль качества на каждом этапе
✓ Современное оборудование
✓ Быстрая отгрузка
Технические характеристики:
производительность – единая 80 л/мин;
диаметр золотника – 2.5 см;
количество золотников – 2 или 3;
позиции золотника - «Подъем», «Нейтраль», «Опускание», «Плавающая»
фиксация - «Подъем», «Опускание»,«Плавающая».
Автоматический возврат при достижении заданного давления из позиций «Подъем» и «Опускание»
давление максимально допустимое – 20 МПа;
предохранительный клапан – постоянного давления, дифференциальный;
вес – 14 кг
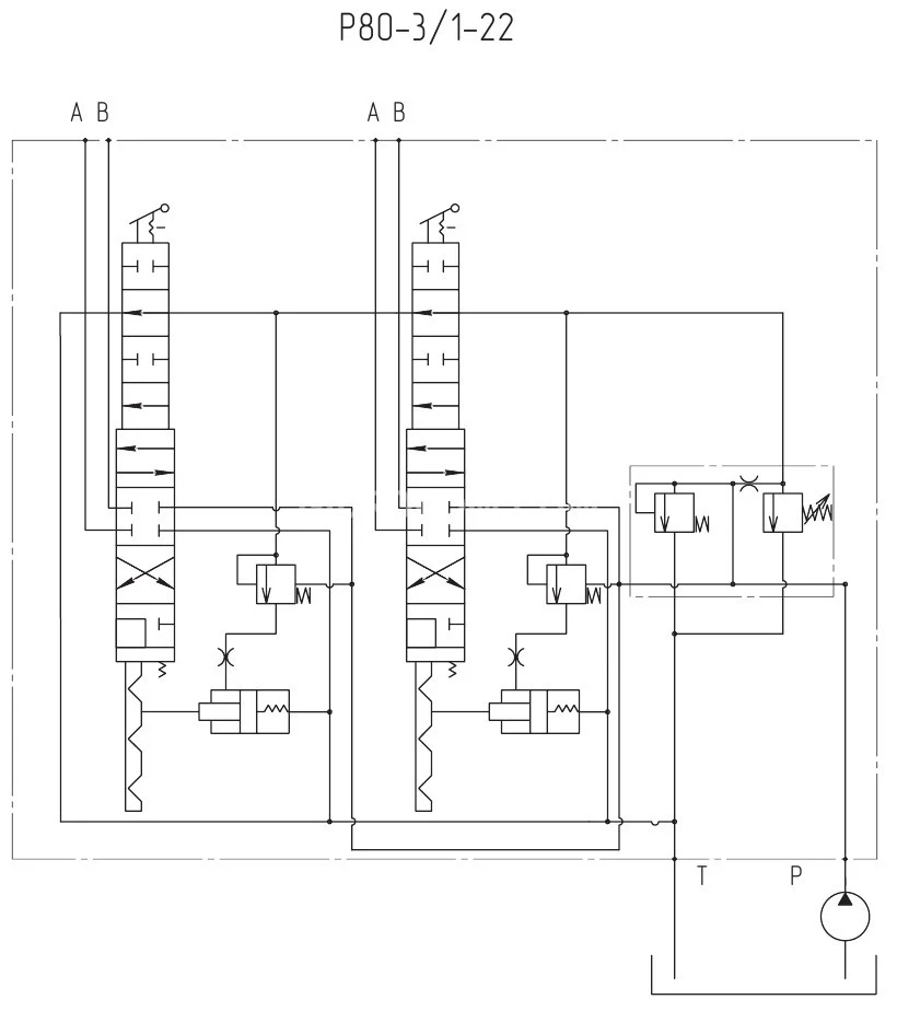
Схема распределения потока рабочей жидкости:


Гидрораспределитель Р80-3/1-221 представляет собой моноблочный клапанно-золотниковый агрегат, предназначенный для использования в сельскохозяйственной и специализированной технике. Он отлично подходит для таких тракторов, как Т-16, Т-25, Т-30, Т-45, а также для машин ХТЗ-2511, ХТЗ-3510, ВТЗ-2032, ВТЗ-2048 и ВТЗ-30СШ, которые оснащены насосами с производительностью от 20 до 100 литров в минуту. В гидравлической системе этот распределитель отвечает за распределение и регулировку давления рабочей жидкости, основанной на минеральных маслах. Рабочий материал поступает в гидросистему от насоса, что обеспечивает слаженную работу этих двух агрегатов. Также распределитель выполняет важную задачу по защите системы от перегрузок.
Р80-3/1-221 отличается высокой безопасностью и надежностью благодаря своему изготовлению из качественных материалов. Эта модель пользуется большим спросом на украинском рынке и предлагается по привлекательной цене.