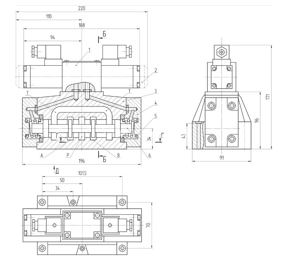
Гидрораспределитель РПГ16/3СЕ64
✓ Сертифицированное оборудование
✓ Гарантия надежной эксплуатации
✓ Контроль качества на каждом этапе
✓ Современное оборудование
✓ Быстрая отгрузка
Основные технические данные
Условный проход : 16мм
Рабочее давление: 32МПа
Пропускная способность: 160-200л.
Напряжение: 24в., 110в., 220в.
Тип монтажа: модульный (стыковой, плиточный)
Масса : не более 16,5 кг
Схема распределения потока рабочей жидкости:

![]() |
|||||
|---|---|---|---|---|---|
Гидрораспределитель РПГ 16/3 СЕ64 относится к внутреннему управляющему оборудованию, которое предназначено для эффективного распределения потоков рабочей жидкости в определённой гидросистеме. Это осуществляется за счёт перекрытия или открытия отдельных линий подачи при получении специализированного внешнего воздействия на распределитель. В результате, в нужный момент достигается корректный доступ жидкости к различным компонентам и агрегатам гидросистемы, что обеспечивает её стабильное и запланированное функционирование.
Все составляющие модели РПГ 16/3 СЕ64, такие как запирающие, управляющие и соединительные элементы, были проверены на производстве на работоспособность. Гидравлический распределитель в сборе прошёл стендовые испытания и соответствует всем техническим требованиям, установленным для оборудования подобного типа.
