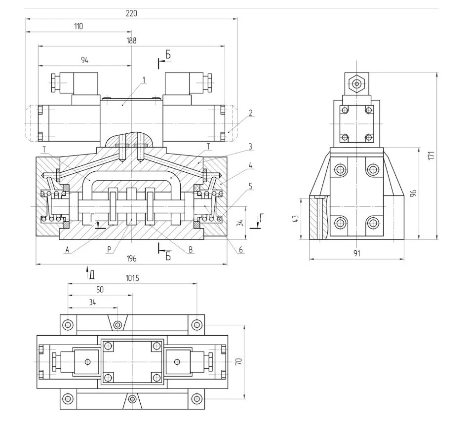
Гидрораспределитель РПГП16/3СЕ44
✓ Сертифицированное оборудование
✓ Гарантия надежной эксплуатации
✓ Контроль качества на каждом этапе
✓ Современное оборудование
✓ Быстрая отгрузка
Основные технические данные
Условный проход : 16мм
Рабочее давление: 32МПа
Пропускная способность: 160-200л.
Напряжение: 24в., 110в., 220в.
Тип монтажа: модульный (стыковой, плиточный)
Масса : не более 16,5 кг
Схема распределения потока рабочей жидкости:

![]() |
|||||
|---|---|---|---|---|---|
Гидрораспределитель РПГП 16/3СЕ представляет собой гидравлическое устройство с пропорциональным управлением. Это означает, что РПГП 16/3СЕ не только может включать и отключать систему, но и изменять давление и объем выходного потока. Данная функция особенно востребована в агрегатах, оборудованных сложными исполнительными механизмами, такими как станковые приводы, прессы, литейные установки и мобильная техника различных назначений.
По своей основной конструкции РПГП 16/3СЕ является золотниковым распределителем с дистанционным электромагнитным управлением. При активации электромагнита золотник сдвигается на необходимое расстояние. Это позволяет добиться нужного давления и объема потока для подачи в контролируемую систему.
Расстояние и величина тока, подаваемого на электромагнит, задаются специальным электронным устройством, известным как драйвер.
В исходном положении золотник удерживается возвратной пружиной. При отключении питания он автоматически возвращается в начальное положение, что обеспечивает безопасность работы всей гидросистемы. Также данное устройство может быть переведено в ручной режим при необходимости.
