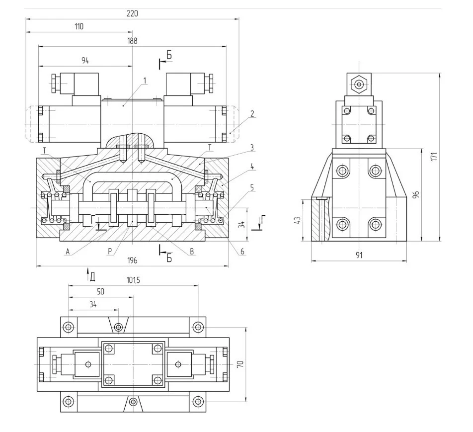
Гидрораспределитель РПГП20/3СЕ34.01И2. Г24
✓ Сертифицированное оборудование
✓ Гарантия надежной эксплуатации
✓ Контроль качества на каждом этапе
✓ Современное оборудование
✓ Быстрая отгрузка
Основные технические данные
Условный проход : 20мм
Рабочее давление: 32МПа
Пропускная способность: 200л.
Тип монтажа: модульный (стыковой, плиточный)
Масса : 21 кг
Схема распределения потока рабочей жидкости:


Гидрораспределитель РПГП 20/3 СЕ34.01И2. Г24 принадлежит к категории внутреннего управляющего оборудования, предназначенного для организации надлежащего распределения потоков рабочей жидкости в конкретной гидросистеме – путём перекрытия или разрешения движения отдельных линий подачи при получении распределителем внешнего направленного воздействия. Таким образом, в нужный момент обеспечивается раздельный доступ жидкости к различным частям и агрегатам, составляющим гидросистему и, как следствие – её плановое функционирование.
Все элементы, составляющие модель РПГП 20/3 СЕ34.01И2. Г24 – запирающие, управляющие, соединительные – в заводских условиях прошли тестирование работоспособности; гидравлический распределитель в сборе также был подвергнут стендовым испытаниям и соответствует всем техническим условиям, предусмотренным для гидрооборудования данного типа.