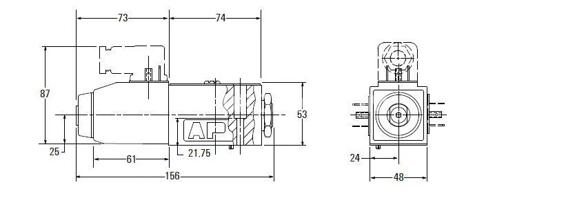
Гидрораспределитель SS-G-03-A3-X-R-E1-10 NACHI
✓ Сертифицированное оборудование
✓ Гарантия надежной эксплуатации
✓ Контроль качества на каждом этапе
✓ Современное оборудование
✓ Быстрая отгрузка
Основные технические данные
Условный проход : 10мм
Рабочее давление: 35МПа
Пропускная способность: 120л.
Напряжение: 12DC, 24DC, 110AC, 220AC
Тип монтажа: модульный (стыковой, плиточный)
Масса : 4,5 кг с одним эл.магнитом, 6,1 кг - с двумя эл.магнитами
Схема распределения потока рабочей жидкости:


Вы можете доверять электромагнитным клапанам марки NACHI. Они признаны надежными в соответствии с зарубежными стандартами безопасности, такими как CE (Европа),UL (США) и CSA (Канада). Для оптимальной работы мокрого электромагнитного клапана убедитесь, что порт T(R) всегда заполнен маслом, и не закрывайте его. Следует также предпринять необходимые меры, чтобы предотвратить возникновение аномальных скачков давления, превышающих максимально допустимое противодавление в порту T(R). Учтите, что максимальная расходная скорость ограничивается, если четырехходовой клапан используется в качестве двухходового или одноходового, блокируя каждый порт.
Очень важно поддерживать чистоту гидравлического масла, причем уровень загрязнения должен быть не ниже класса NAS 12. Используйте гидравлическое масло на нефтяной основе, соответствующее Классу 1 или 2 по JIS K2213. Для стандартного клапана возможно применение гидравлического масла на водной или гликолевой основе, однако в этом случае давление не должно превышать 31,5 МПа, а расход – 80% от максимального. Если вы планируете использовать другое огнестойкое гидравлическое масло, пожалуйста, свяжитесь с нами для уточнения информации и необходимых мер предосторожности.
Не забывайте следить за тем, чтобы допустимый диапазон напряжений не превышался. Включайте переменный ток соленоида после установки катушки на клапан, а сливную трубу подключайте к порту T(R) для рабочих моделей 2X, H2X и E2X. Если клапан долго находится в переключенном положении под высоким давлением, может произойти сбой из-за зажатия жидкости. В этом случае рекомендуется обратиться за дополнительной информацией.
При работе с клапанами с фиксатором (E2X, E3X, E3Z) держите питание включенным, чтобы гарантировать надежное удержание переключенного положения. Учитывайте, что усилие при работе ручного штифта изменяется в зависимости от противодавления в линии резервуара. Если клапан работает с подачей питания, температура поверхности катушки может повыситься, поэтому выбирайте правильное положение установки клапана, чтобы избежать контакта руки с горячей поверхностью.