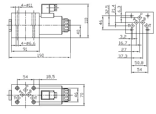
Гидрораспределитель ВЕ10.574 (FW 03-2В3)
✓ Сертифицированное оборудование
✓ Гарантия надежной эксплуатации
✓ Контроль качества на каждом этапе
✓ Современное оборудование
✓ Быстрая отгрузка
Основные технические данные
Условный проход : 10мм
Рабочее давление: 32МПа
Пропускная способность: 100-120л.
Напряжение: 24в., 110в., 220в.
Тип монтажа: модульный (стыковой, плиточный)
Масса : 4,8 кг с одним эл.магнитом, 6,1 кг - с двумя эл.магнитами
Схема распределения потока рабочей жидкости:


Гидрораспределители типов HOYEA FW , а также модели ВЕ 6, ВЕ 10, 1РЕ 6 и 1РЕ 10 представляют собой важнейшие элементы в гидравлических системах, отвечая за управление потоками рабочей жидкости в различных механизмах. Эти устройства предназначены для распределения масла между различными исполнительными механизмами, такими как гидромоторы и гидроцилиндры, и могут быть использованы как в стационарных, так и в мобильных гидравлических установках.
Работа гидрораспределителей HOYEA базируется на передвижении золотников. Золотник — это подвижный компонент внутри распределителя, который управляет направлением потока жидкости к различным портам. В зависимости от конструирования, гидрораспределитель может быть односторонним или двусторонним, что определяет количество электромагнитов и необходимость перемещения жидкости в разные стороны. Перемещение золотника происходит под воздействием электрического тока, поступающего на управляющие катушки; этот ток создает магнитное поле, которое приводит к смещению золотника в одну из рабочих позиций, открывая нужные каналы. После прекращения подачи тока золотник может возвращаться в нейтральное положение благодаря действию возвратной пружины.
Характеристики гидрораспределителей HOYEA FW , моделей ВЕ 6, ВЕ 10, 1РЕ 6 и 1РЕ 10, могут варьироваться, но в целом они могут включать в себя различные параметры, такие как максимально допустимое рабочее давление, которое обычно достигает 315 бар, позволяя применять их в различных условиях, а также пропускную способность, зависящую от конкретной модели и способную достигать значительных значений для обеспечения высокой эффективности работы. Эти гидрораспределители могут также иметь несколько рабочих позиций, чаще всего это двусторонние (4/2) и четырехлиниейные (4/3) конструкции, и предоставляют возможность как электрического, так и ручного управления.
Сферы применения гидрораспределителей HOYEA охватывают широкий спектр отраслей, включая машиностроение, где они используются для управления робототехническими системами и автоматизированными производственными линиями, строительство, например, в экскаваторах и кранах, судостроение — для управления парусами и системами рулевого управления на судах, а также сельское хозяйство, для управления различным навесным и прицепным оборудованием.
Благодаря своей надежности, эффективности и универсальности гидрораспределители HOYEA размер 10 находят широкое применение в различных областях, обеспечивая отличные результаты работы гидравлических систем.