Гидрораспределитель ВЕХ16.124
✓ Сертифицированное оборудование
✓ Гарантия надежной эксплуатации
✓ Контроль качества на каждом этапе
✓ Современное оборудование
✓ Быстрая отгрузка
Основные технические данные
Условный проход : 16мм
Рабочее давление: 31,5МПа
Пропускная способность: 160-200л.
Напряжение: 24в., 110в., 220в.
Тип монтажа: модульный (стыковой, плиточный)
Масса : не более 16,5 кг
Схема распределения потока рабочей жидкости:

![]() |
|||||
|---|---|---|---|---|---|
Гидрораспределители типа ВЕХ16 представляют собой золотниковые четырехлинейные устройства с электрогидравлическим управлением, обладающие диаметром условного прохода 16 мм. Они предназначены для изменения направления или остановки и запуска потока рабочей жидкости в гидравлических системах станков, прессов и других стационарных машин, работающих при давлении до 32 МПа. В качестве рабочей жидкости рекомендуется использовать масла, такие как индустриальное ИГП-30, турбинные масла Тп-22, Тп-30 и ВНИИНП-403, а также другие жидкости с аналогичными характеристиками, соответствующие классу чистоты не ниже 13 по ГОСТ 17216-71 и с кинематической вязкостью от 10 до 400 сСт. При этом тонкость фильтрации не должна превышать 0,025 мм.
В процессе наладки или в случае возникновения аварийной ситуации, когда электромагниты обесточены, переключение гидрораспределителя допускается выполнять посредством нажатия кнопки ручного управления с условием подачи потока управления. Правила техники безопасности при работе с гидрораспределителями типа ВЕХ16 регламентированы ГОСТ 31177-2003.
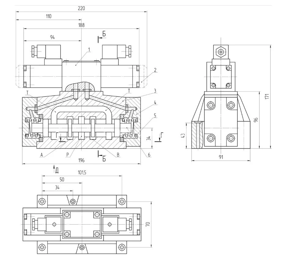
Корпус гидрораспределителя служит его основной деталью, в которой находятся главные каналы. Одно отверстие предназначено для ввода рабочей жидкости под давлением, два других — для присоединения к другим устройствам, дренажное отверстие выводит жидкость в бак, а также имеются вход и выход для управления потоком.
В гидрораспределителе с электрогидравлическим управлением золотник перемещается под действием давления потока управления из своего исходного положения. Восстановление золотника в начальное положение происходит либо с помощью пружины (в случае пружинного возврата),либо за счет давления управления (при гидравлическом возврате).
Гидрораспределители проектируются таким образом, что поток управления не зависит от основного потока. Для перехода на управление основным потоком необходимо снять крышку, извлечь палец, перевернуть его на 180 градусов и установить обратно. При этом вход для потока управления необходимо перекрыть. Слив потока управления не должен соединяться с основным потоком в случаях, когда давление в сливе превышает 6 МПа или для трипозитивного гидрораспределителя с гидравлическим возвратом золотника.
В качестве вспомогательного компонента может использоваться распределитель типа ВЕ6.34... или 1РЕ6.34... для конфигураций с пружинным возвратом и ВЕ6.24... или 1РЕ6.24... для гидравлического возврата. Гидрораспределитель может быть укомплектован различными вспомогательными узлами и устройствами.
Одним из таких устройств является дроссельная плита, предназначенная для настройки времени срабатывания гидрораспределителя. Поворачивая регулировочный винт по часовой стрелке, время увеличивается, а против часовой — уменьшается. Возможна регулировка как на подводе, так и на отводе управляемого потока, при этом для изменения метода регулировки нужно снять дроссельную плиту и перевернуть ее на 180 градусов.
Также имеется устройство для регулировки длины хода золотника, где один оборот винта соответствует смещению на 1,5 мм. Регулировку необходимо выполнять при отключенном питании. В конструкциях, управляющихся от основного потока, применяется обратный гидроклапан для создания минимального давления управления.
Другие устройства могут включать диафрагму для ограничения потока управления, что способствует увеличению времени срабатывания устройства, и гидроклапан соотношения давлений, который снижает давление управления в соотношении 1:0,66 для систем с давлением выше 25 МПа. Для упрощения монтажа предусмотрена возможность поставки гидрораспределителя с присоединительной плитой.
