Гидрозамок DG MPC-5 ABK-BAK-30 VICKERS
✓ Сертифицированное оборудование
✓ Гарантия надежной эксплуатации
✓ Контроль качества на каждом этапе
✓ Современное оборудование
✓ Быстрая отгрузка
Основные параметры клапана:
Условный проход, мм: 10
Давление нагнетания ном., МПа: 31,5
Расход рабочей жидкости, л/мин: 120
Тип монтажа: модульный
Масса, кг: 2,9

Клапаны Eaton SystemStakTM представляют собой компактные гидравлические системы, где модульные клапаны устанавливаются в виде «сэндвича» между направляющим распределителем и стандартной монтажной поверхностью. Такая компактная конструкция способствует улучшению отклика системы, так как устраняет необходимость во внешних трубопроводах для жидкости, что в свою очередь снижает уровень резонансных шумов и предотвращает утечки. Данная конструкция клапанов уже зарекомендовала себя и позволяет создавать небольшие управляющие узлы, особенно при использовании многопозиционных коллекторов.
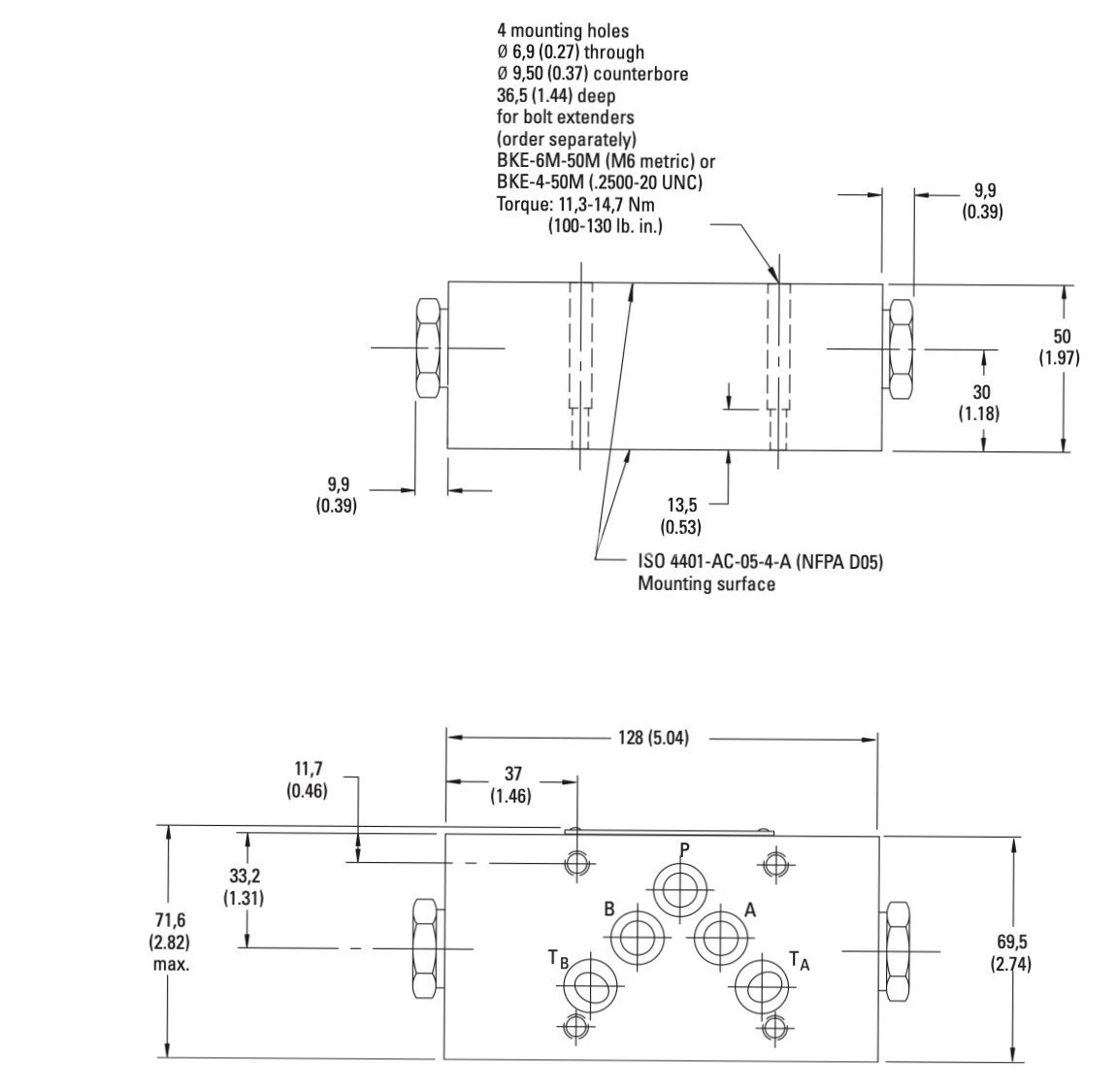
Монтажная поверхность совместима с направляющими распределителями и обозначена кодом «5» в номерах моделей клапанов Eaton SystemStak. Интерфейс «5» поддерживает клапаны Eaton DG4S4 и другие направляющие клапаны со стандартной конфигурацией портов ISO 4401-05, NFPA-D05, ANSI/B93.7M размера D05 или CETOP-5.
Каждый клапан серии «stak» может быть настроен для выполнения определенных функций, соответствующих требованиям системы. Клапаны SystemStak делятся на две категории:
1. Клапаны для напорных и/или резервуарных линий («P» и/или «T»):
- DGMC — предохранительный клапан
- DGMDC — прямой обратный клапан
- DGMFN — регулятор расхода
- DGMR1 — клапан последовательности
- DGMX2 — редукционный клапан
Общее правило для данной группы состоит в том, что предохранительный клапан DGMC должен находиться ближе всего к монтажной плите или коллектору, а прямой обратный клапан DGMDC — ближе к направляющему регулирующему клапану. Клапан последовательности DGMR1 должен быть расположенный наиболее удаленно от направляющего клапана и устанавливается непосредственно на монтажную плиту с дренажным отверстием для внешнего слива.
2. Клапаны для рабочих линий («A» и/или «B»):
- DGMC — предохранительный клапан
- DGMC2 — двойной предохранительный клапан
- DGMDC — прямой обратный клапан
- DGMPC — пилотный обратный клапан
- DGMFN — регуляция расхода
- DGMR — уравновешивающий клапан
Для этой группы предохранительный клапан системы DGMC должен находиться наиболее удаленно от распределителя. При использовании DGMPC вместе с DGMFN (расходомером) DGMPC должен быть ближе к распределителю.
Преимущества системы включают:
- Компактные размеры: штабелируемые клапаны SystemStak, совместимые с направляющими устройствами ISO 4401-05, CETOP 5 (NFPA-D05),обеспечивают экономичное управление направлением, скоростью и усилием.
- Снижение затрат на монтаж: отсутствие лишних трубопроводов и соединений сокращает количество потенциальных точек утечки и стоимость установки по сравнению с традиционными клапанами.
- Универсальность и простота установки: клапаны SystemStak имеют все внутренние каналы для обслуживания направляющего распределителя с любой стандартной портовой конфигурацией ISO 4401-05, NFPA-D05, ANSI/B93.7M размера D05 или CETOP-5.
Комплекты удлинителей болтов Eaton упрощают процесс установки клапана, позволяя устанавливать каждый его корпус по отдельности и обеспечивая правильное затяжку. Это также позволяет легко снимать направляющий распределитель для обслуживания или замены без необходимости разбирать весь комплект.
Клапаны отличаются прочностью и надежностью, поскольку их внутренние рабочие части изготовлены из закаленной стали и находятся в корпусе из чугуна, что обеспечивает высокую надежность даже при работе под высокими давлениями. Рабочие элементы можно обслуживать, не демонтируя клапаны с блока.