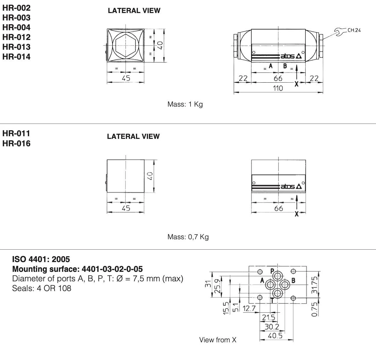
Гидрозамок HR-012 (13,14) ATOS
✓ Сертифицированное оборудование
✓ Гарантия надежной эксплуатации
✓ Контроль качества на каждом этапе
✓ Современное оборудование
✓ Быстрая отгрузка
Основные параметры клапана:
Условный проход, мм: 6
Давление нагнетания ном., МПа: 35
Расход рабочей жидкости, л/мин: 60
Тип монтажа: модульный
Масса, кг: 1

HR и KR — это обратные клапаны, которые предлагаются в вариантах с прямым и сервоуправлением.
Модели JPR представляют собой обратные клапаны с сервоуправлением.
Некоторые модели KR могут быть доступны с декомпрессией по специальному запросу.
HR-0 имеет размер 06 и обеспечивает расход до 60 л/мин при давлении до 350 бар.
KR-0, размер 10, поддерживает расход до 120 л/мин при давлении до 315 бар.
Модель JPR-2, размер 16, предназначена для расхода до 200 л/мин и давления до 350 бар.
JPR-3 имеет размер 25 и может обеспечить расход до 300 л/мин при давлении до 350 бар.
Эти клапаны используются в гидравлических системах, работающих с минеральным маслом или синтетическими жидкостями, обладающими аналогичными смазывающими свойствами.