Гидрозамок SV10-P20 Rexroth
✓ Сертифицированное оборудование
✓ Гарантия надежной эксплуатации
✓ Контроль качества на каждом этапе
✓ Современное оборудование
✓ Быстрая отгрузка
Основные параметры клапана:
Условный проход, мм: 10
Давление нагнетания ном., МПа: 31,5
Расход рабочей жидкости, л/мин: 120
Тип монтажа: стыковой
Масса, кг: 2,5

Запорный клапан типа SV/SL представляет собой обратный клапан с пилотным управлением, предназначенный для установки на плите или с использованием резьбового соединения. Он используется для герметичного перекрытия одного из портов привода, особенно при длительных перерывах в работе.
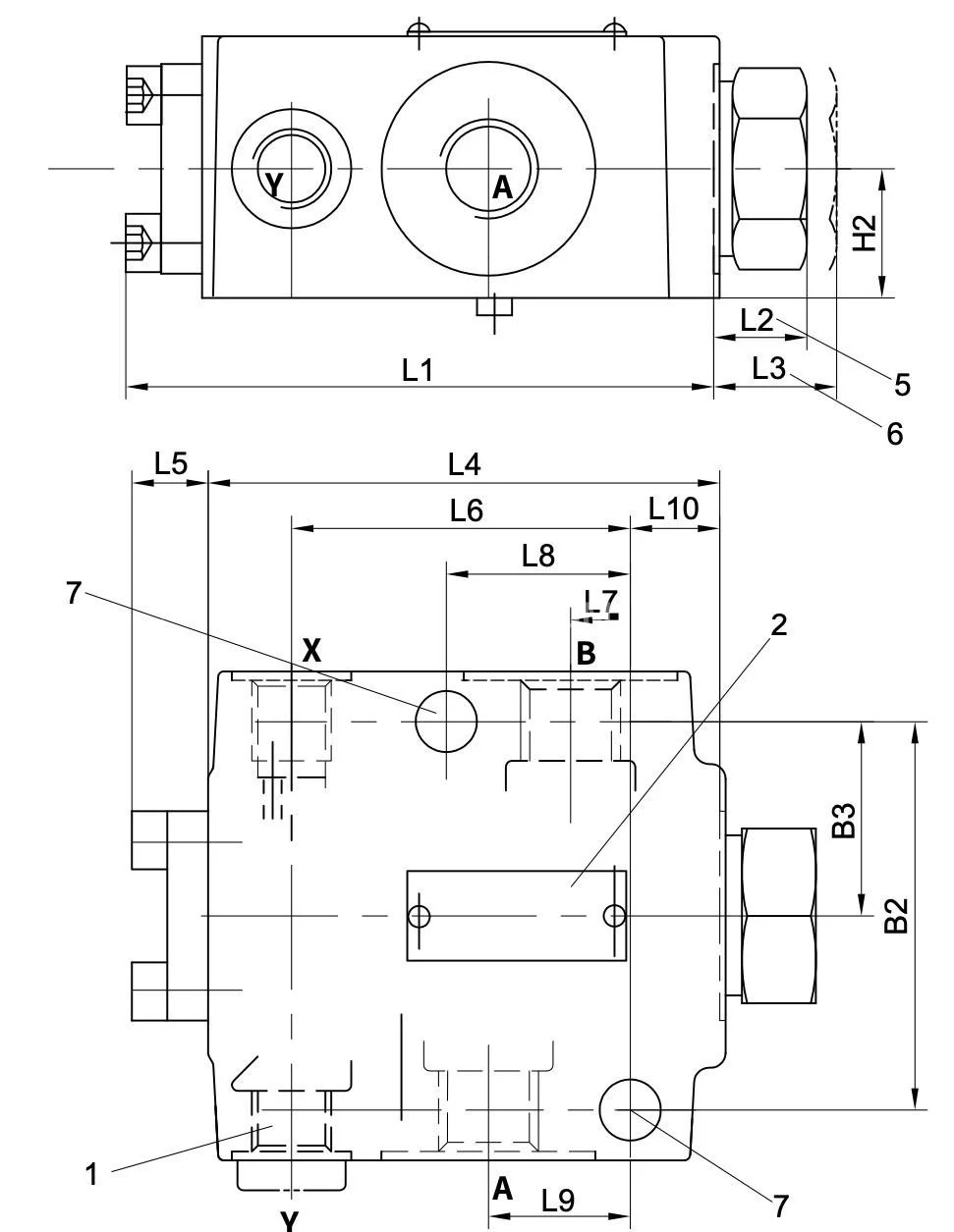
Клапан состоит из корпуса (1),тарельчатого клапана (2),пружины сжатия (3),регулирующего золотника (4) и при желании может быть дополнен предварительным открытием в виде шарового седла (5). Седельный клапан способен переключаться из пункта А в пункт В без необходимости внешнего управляющего давления, а в обратном направлении он плотно закрывается за счёт гидравлической герметизации. Условие для этого: pA > pB + давление открытия (пружина сжатия).
Достаточно высокое управляющее давление в порту X перемещает регулирующий золотник (4) к шаровому седлу (5) (версия «A») и выталкивает тарельчатый клапан (2) из своего седла, что позволяет свободному потоку в обоих направлениях (поддержание открытого состояния). Для активного открытия седельного клапана важно, чтобы соотношения давлений с обеих сторон регулирующего золотника (4) было сбалансировано, так же как и соотношения площадей на золотнике и тарельчатом седле.
Существуют следующие варианты:
SV (с большой площадью кольцевого пространства A3 (8),соединенной с pA) или
SL (с маленькой площадью кольцевого пространства A4 (9)),
а также версии с предварительным открытием «A» и без него «B».
Версия «A» (с предварительным открытием) включает дополнительное предварительное открытие. Под действием давления в порту X, управляющий золотник (4) перемещается вправо, что приводит к отжатию шарика (5) от седла, а затем и тарельчатого клапана (2).