Катушка электромагнитная TYP MSW 220V FESTO
Оставить отзыв
Есть в наличии
Безопасность и конфиденциальность
✓ Сертифицированное оборудование
✓ Гарантия надежной эксплуатации
Гарантия доставки
✓ Контроль качества на каждом этапе
✓ Современное оборудование
✓ Быстрая отгрузка
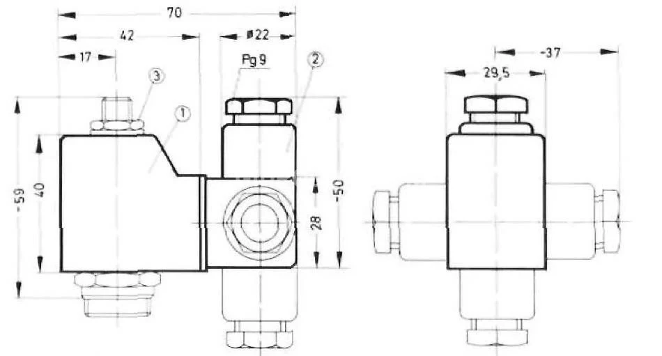
Технические характеристики:
Условный проход , мм.: 3,5
Номинальное давление, МПа: 1
Масса, кг.: 0,17

Электромагнитная катушка Festo MSW-220 предназначена для тока переменного напряжения и имеет контакты, расположенные по разъёмам согласно DIN EN 175301. В базовой комплектации катушка не оснащена взрывозащитой.