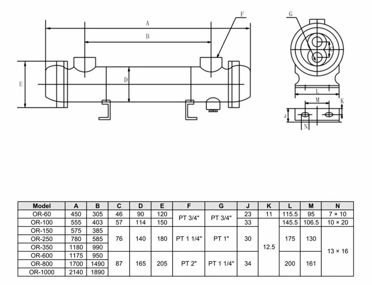
Маслоохладитель OR-1200 (1200л/мин)
✓ Сертифицированное оборудование
✓ Гарантия надежной эксплуатации
✓ Контроль качества на каждом этапе
✓ Современное оборудование
✓ Быстрая отгрузка
Технические характеристики:
Пропускная способность, л./мин : 1200
Номинальное давление, МПа: 0,8
Масса, кг.: 65

Кожухотрубный теплообменник маслоохладитель с водяным охлаждением LCH OR-1200 представляет собой трубчатый аппарат, в который вставлены медные трубки. Теплообменник отличается высокой эффективностью.
Аппарат серии LCH OR имеет внутри закрытого цилиндра множество мелких трубок. Масло протекает по этим трубкам, а жидкость-носитель тепла (обычно вода) движется вокруг них. Масло может проходить один раз через устройство (один вход и выход) или совершать двойной проход: вход в одном конце, разворот на противоположном конце и возвращение к входу для выхода.
Основное назначение кожухотрубного маслоохладителя LCH OR-1200 — на промышленных предприятиях. Устройства разработаны под требования и широко применяются в нефтегазовом и нефтехимическом секторах, на перерабатывающих и металлургических заводах. Конструкция маслоохладителя состоит из окантованной трубной области и межтрубного пространства. Разделённые стенкой потоки с разной температурой обмениваются теплоэнергией, не смешиваясь. В межтрубном канале движение среды контролируется направляющими перегородками, которые формируют оптимальный поперечный поток. Геометрия и размещение перегородок подбираются под заданные характеристики так, чтобы обеспечить максимально высокий коэффициент теплообмена.