Насос аксиально-поршневой регулируемый НАПЭСЛ140/20
✓ Сертифицированное оборудование
✓ Гарантия надежной эксплуатации
✓ Контроль качества на каждом этапе
✓ Современное оборудование
✓ Быстрая отгрузка
Технические характеристики:
Номинальная подача, л/мин: 200
Номинальное давление на выходе, МПа: 20
Частота вращения, об./мин.: 1500-3000
Масса, кг: 146,5


Насосы НАПЭЛ-140/20 и НАПЭСЛ-140/20 с правым вращением вала предназначены для подачи рабочей жидкости в гидросистемы различных машин, таких как станки и прессы, где необходима возможность регулирования подачи и реверсирования потока.
Эти насосы представляют собой регулируемые аксиально-поршневые устройства с торцовым распределением жидкости, которые управляются электрогидравлическим способом и имеют две регулируемые подачи на каждой рабочей полости с изменяемым направлением потока.
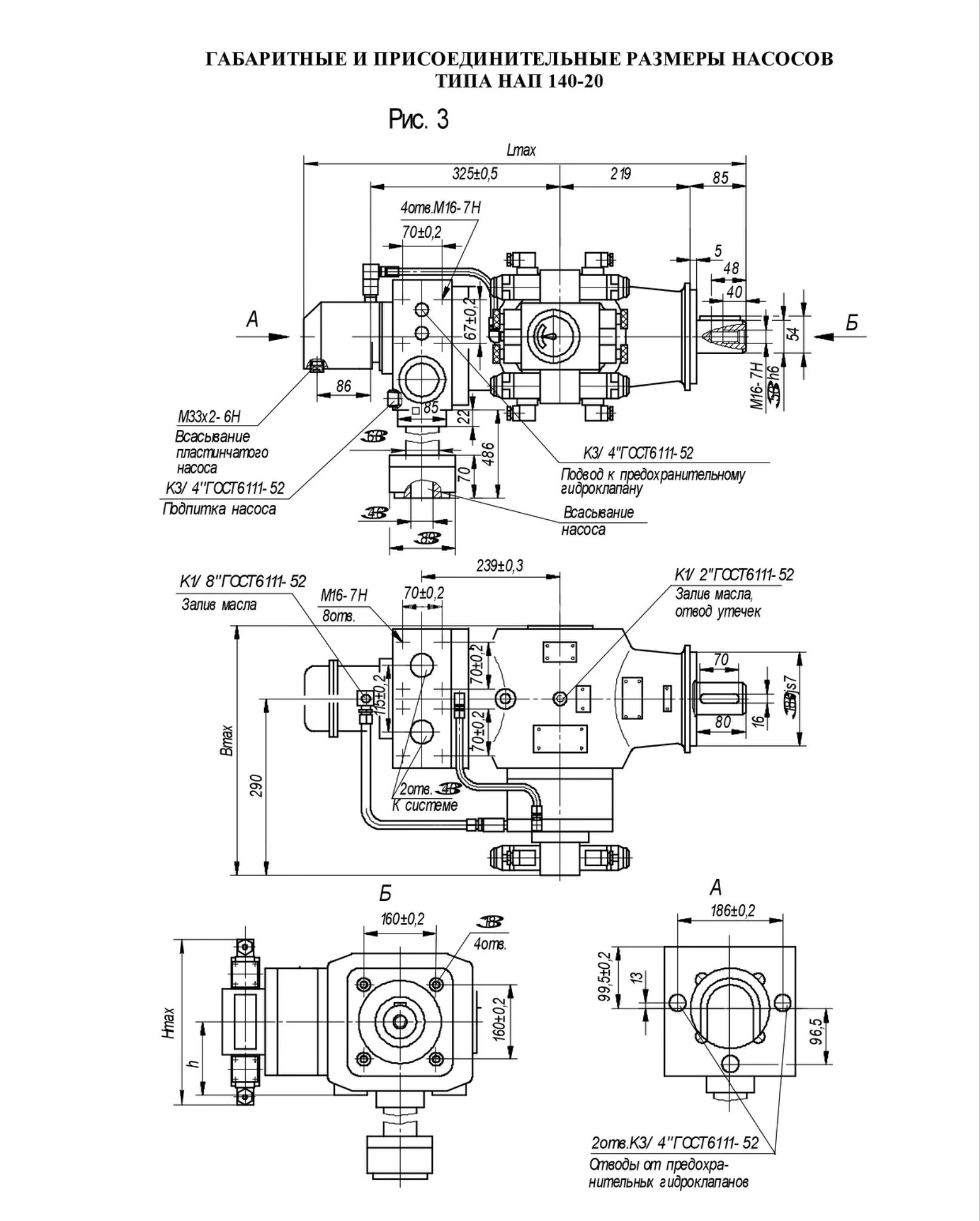
Насосы устанавливаются на лапах, что отражает литера «Л» в их обозначениях.
В насосах модели НАПЭЛ-140-20 используется однопоточный пластинчатый насос НПл 12,5/6,3, а для НАПЭСЛ-140/20 — двухпоточный НПл 16-32/6,3 (литера «С» в обозначении).
Поток рабочей жидкости от пластинчатых насосов меняется с помощью гидравлического золотникового распределителя с условным проходом 6 мм (например, распределитель 1РЕ6).
При подаче сигнала на один из электромагнитов гидрораспределителя происходит подключение рабочей полости толкателя управления к напорной линии, что вызывает его перемещение на величину, определяемую настройками регулирующего винта. Это перемещение приводит к повороту двуплечего рычага и связанного с ним крана-золотника. В свою очередь, рабочая жидкость под давлением из пластинчатого насоса поступает в камеры поворотного гидродвигателя, создавая крутящий момент, который вращает ротор гидродвигателя и траверсу аксиально-поршневого агрегата.
Объем и направление поворота траверсы определяют подачу и направление потока рабочей жидкости в насосах НАПЭЛ-140/20 и НАПЭСЛ-140/20.
Структура, устройство и работа насосных агрегатов
Согласно системе управления, насосы бывают:
- С ручным управлением (например, НАПР 140-20, НАПРЛ 140-20);
- С электрогидравлическим управлением, обеспечивающим две регулируемые подачи и изменяемое направление потока (например, НАПЭ 140-20, НАПЭЛ 140-20, НАПЭС 140-20 и др.). Эти насосы работают от вспомогательного пластинчатого насоса.
Насосы с электрогидравлическим управлением комплектуются пластинчатыми насосами БГ12-22АМ или 12Г12-33АМ и гидрораспределителями типа РХ06. Насос НАПЭСПЛ 140-20, кроме того, отличается правосторонним расположением механизма управления.
По типу монтажа насосы бывают фланцевыми (НАПР 140-20, НАПЭ 140-20 и НАПЭС 140-20) и с лаповым креплением (НАПРЛ 140-20, НАПЭЛ 140-20, НАПЭСЛ 140-20 и НАПЭСПЛ 140-20).
Техническая схема насосов типа НАП 140-20 основана на аксиально-поршневом принципе с торцовым распределением жидкости и включает процесс всасывания и нагнетания, осуществляемый благодаря возвратно-поступательному движению поршней.
Регулирование подачи осуществляется механизмом управления. Для ручного управления насосов моделями НАПР 140-20 и НАПРЛ 140-20 возможно заранее установить нужные параметры подачи и направление потока.
В электрогидравлическом управлении насосов, работающих от пластинчатых насосов БГ12-22АМ или 12Г12-33АМ, обеспечивается бесступенчатое регулирование двух различных подач на каждой из полостей.
Гидравлическая схема для насосов с электрогидравлическим управлением показывает выключенные электромагниты в среднем положении управляющего механизма. Чтобы избежать влияния на установку траверсы, рабочие полости соединены через нуль-золотник, что позволяет отводить жидкость из нагнетающей полости во всасывающую.
Включение электромагнита приводит к сближению рабочей полости толкателя с давлением и его перемещению на длину, заданную регулирующим винтом. Это вызывает поворот рычага и крана-золотника, обеспечивая подачу давления в камеры гидродвигателя. При этом смещение ротора изменяет подачу и направление потока жидкости в системе.
При изменении направления потока золотник переключается, меняя распределение жидкостей между всасывающими и нагнетающими полостями. При отключении электромагнитов нуль-золотник возвращается в исходное состояние, высвобождая жидкость и сливая ее через гидрораспределители.
На всасывающей линии насосов установлены гидроклапаны, предотвращающие обратный слив жидкости при изменении направления потока, а также обеспечивается возможность работы насоса в замкнутом контуре с поддержанием нужного давления.
Аксиально-поршневой агрегат включает в себя приводной вал, ротор и поршни, которые перемещаются для обеспечения всасывания и нагнетания жидкости, а также поддержания равновесия для предотвращения попадания воздуха в систему.
Механизм ручного управления позволяет изменять подачу жидкостей, при этом электрогидравлический механизм управления в насосах с электрическим управлением обеспечивает настройку в зависимости от давления масла и работы системы.
Насосы с электродвигателем имеют надежный механизм управления и способны эффективно работать при различных условиях эксплуатации.