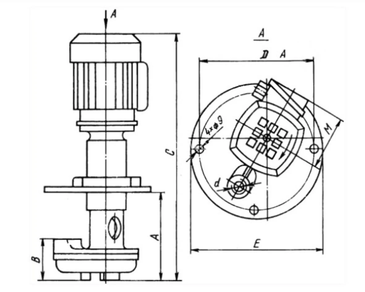
насос для подачи СОЖ (помпа) П-25М
✓ Сертифицированное оборудование
✓ Гарантия надежной эксплуатации
✓ Контроль качества на каждом этапе
✓ Современное оборудование
✓ Быстрая отгрузка
Технические характеристики:
Номинальная подача, л/мин: 25
Номинальное давление на выходе, МПа: 0,04
Частота вращения вала двигателя, об/мин: 3000
Номинальная мощность, КВт: 0,18
Рабочий объем, см.2: 0,4
Масса, кг: 5,9

Электронасосы П-25(М),П-50(М),П-125(М) и П-200(М) представляют собой вертикальные центробежные электронасосы, предназначенные для подачи смазочно-охлаждающей жидкости к инструменту металлорежущих станков. Эти насосы имеют производительность 25, 50, 125 и 200 л/мин и могут работать с жидкостями вязкостью до 90 мм²/с, не оказывая коррозионного воздействия на свои детали. В отличие от аналогичных моделей НГ, насосы П-25М, П-50М, П-125М и П-200М полностью выполнены из металла, без использования пластмассовых составляющих в погружной части.
Также для насоса П-25 (в версиях 32, 50, 100, 125 и 200) можно заказать основание, необходимое для его установки в систему охлаждения рабочих зон станков или автоматических линий.
Насосы П-25М, П-32М, П-50М, П-125М и П-200М имеют соответствие по габаритам и крепёжным размерам с электронасосами серии НГ. Они оснащены опорным подшипником и качественным асинхронным электродвигателем, а также могут поставляться с опорной плитой и метизами по дополнительному запросу. При желании заказчика, насос может быть изготовлен с разной глубиной погружения в смазочно-охлаждающую жидкость.
Помпы П-25 (32, 50, 100, 125 и 200) широко применяются в системах, подающих смазочно-охлаждающую жидкость в зону резания металлорежущих станков и автоматических установок. Эти насосы, состоящие в основном из металла, кроме крышки электродвигателя, зарекомендовали себя как надежное оборудование для подачи СОЖ и жидкостей аналогичной вязкости при обработке деталей на токарных, фрезерных и шлифовальных станках.
Стоит отметить, что электронасос П-25 является современным аналогом устаревшего насоса охлаждения ПА-22 мощностью 0,125 кВт и с оборотами 2800-3200 в минуту, который использовался в конструкции отечественных токарных станков, таких как 1К341. Кроме того, насос-помпа П-25 является заменой для насоса Х14-22 и его модификаций.
Электронасосы П-25, П-50, П-100 и П-200 могут заменить более старые модели насосов, такие как ПА-22, ПА-25, ПА-45, ПА-90, ПА-200, Х14-22, Х14-22М, Х14-25 и Х14-25М, а также 200Х19-22М.