Насос пластинчатый для смазки С12-52
✓ Сертифицированное оборудование
✓ Гарантия надежной эксплуатации
✓ Контроль качества на каждом этапе
✓ Современное оборудование
✓ Быстрая отгрузка
Технические характеристики:
Номинальная подача, л/мин: 3,2
Номинальное давление на выходе, МПа: 0,25
Номинальная мощность, КВт: 0,18
Масса, кг: 1,14

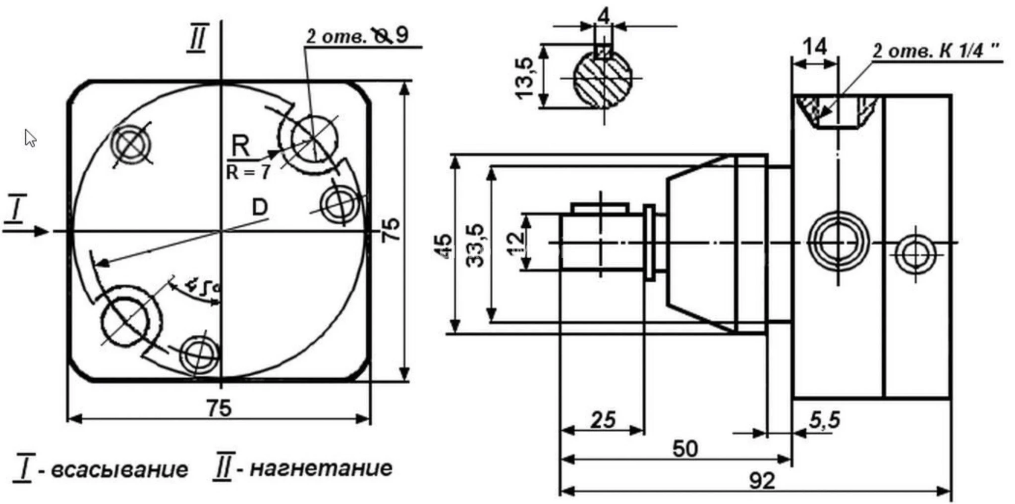
Пластинчатые насосы для смазки моделей С12 41, С12 42, С12 43, С12 44, С12 51, С12 52, С12 53 и С12 54 являются однократного действия, нерегулируемыми и предназначены для подачи минерального масла под давлением в системы смазки металлорежущих станков и других машин. Насосы С12-41, С12-42, С12-43 и С12-44 имеют возможность реверсирования направления вращения вала при постоянном направлении потока масла, в то время как насосы С12-51, С12-52, С12-53 и С12-54 работают с постоянным направлением вращения (по часовой стрелке, если смотреть со стороны привода). Эти насосы используются с минеральными маслами общего назначения по ГОСТ 20799-75, индустриальными гидравлическими маслами серии ИГП и ВНИИНП-403 по ГОСТ 16728-78, а также другими маслами с кинематической вязкостью от 17 до 213 мм²/с и температурным диапазоном от +10 до +50°C. Класс чистоты масла должен быть не ниже 12 по ГОСТ 17216-71, а степень фильтрации – 25 мкм. В заказе необходимо указать тип насоса, климатическое исполнение и категорию, например: С12-53 УХЛ4.
Насосы С12 имеют конусную установочную плоскость. Строение и принцип работы насосов С12-4М и С12-5М включают чугунный корпус с эксцентричным отверстием, внутри которого вращается вал в бронзовой втулке. На валу находятся две пластины, которые поджимаются пружиной к внутренней поверхности статора. При вращении вала объем одной камеры увеличивается, создавая разрежение (камера всасывания),в то время как объем соседней камеры уменьшается (камера нагнетания). Камеры связываются с всасывающим и нагнетательным трубопроводами через отверстия в статоре и корпусе.
В насосах С12-4М предусмотрено гидравлическое торможение статора для уменьшения износа крышки при ударе штифта. При установке вал насоса необходимо центрировать, чтобы избежать повышенного износа, с максимально допустимым радиальным смещением осей до 5 мм и углом перекоса до 30°. Направление вращения валов насосов С12-5М – правое, а насосов С12-4М может быть любым. Уплотнение всасывающего трубопровода должно исключать попадание воздуха, а трубопроводы и резервуар необходимо тщательно очищать от загрязнений. Необходимо избегать обтирочных материалов, оставляющих волокна. Чистота масла для работы насоса должна соответствовать 12-му классу по ГОСТ 17216-71, что достигается герметизацией системы и использованием чистого масла.
Перед первым пуском в насос необходимо залить масло, так как работа без него может привести к его поломке. Обязательно фильтруйте масло перед заливкой с тонкостью не грубее 25 мкм, а возвращающееся из машины масло также должно быть отфильтровано. При изменении вязкости масла на 20% от первоначального следует производить его замену.
Габаритные и присоединительные размеры насосов С12-4М и С12-5М приведены на соответствующем рисунке, и пример условного обозначения заказанного насоса с рабочим объемом 6,3 см³ на давление 0,25 МПа для умеренных и холодных климатических условий выглядит следующим образом: C12-4M - 6,3 УХЛ4.