Насос пластинчатый регулируемый НПлР125/6,3
✓ Сертифицированное оборудование
✓ Гарантия надежной эксплуатации
✓ Контроль качества на каждом этапе
✓ Современное оборудование
✓ Быстрая отгрузка
Технические характеристики:
Номинальная частота вращения об/мин-1450
Номинальная подача, л/мин: 172,5
Номинальное давление на выходе, МПа: 6,3

Пластиночные насосы регулируемого типа НПР 125/6,3 предназначены для подачи рабочей жидкости в гидравлические системы станков и других машин при рекомендуемой температуре от -10 до +70°С. В качестве рабочей жидкости применяются минеральные масла с вязкостью от 25 до 160 мм²/с. Масло должно соответствовать чистоте не ниже 12-го класса по ГОСТ 17216-71, что достигается с помощью фильтров с номинальной тонкостью фильтрации не более 25 мкм. Рекомендуемые масла: ВНИИ НП-403 по ГОСТ 16728-78, ИГП-38 по ТУ 38.101413-78 и другие.
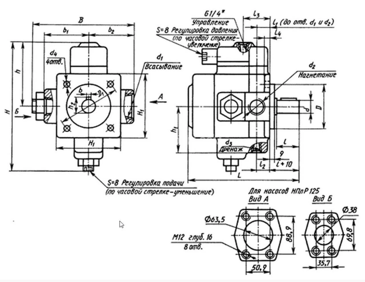
Также следует отметить, что клапан давления регулируется механически. Если давление в системе совпадает с настроенным давлением клапана, насосы типа НПР уменьшают подачу масла от номинального значения до нуля. Гидросистема станка должна быть оснащена специализированным фильтром. Номинальный рабочий объем насоса составляет 20 см³, давление на выходе — 6,3 МПа, а максимальное и минимальное давление на входе — 0,15 и -0,02 МПа соответственно. Номинальная частота вращения насоса составляет 1450 об/мин, максимальная — 2000 об/мин, минимальная — 750 об/мин. Номинальная подача равна 172,5 л/мин, а масса насоса составляет 98 кг.
Что касается конструкции и принципа действия насоса НПР 125/6,3, то он включает в себя корпус, крышку, ротор, пластины, статор, распределительный диск, прижимной диск, штифт, регулятор давления, золотник, винт регулятора давления, регулируемую опору, регулятор подачи и вытяжной клапан.