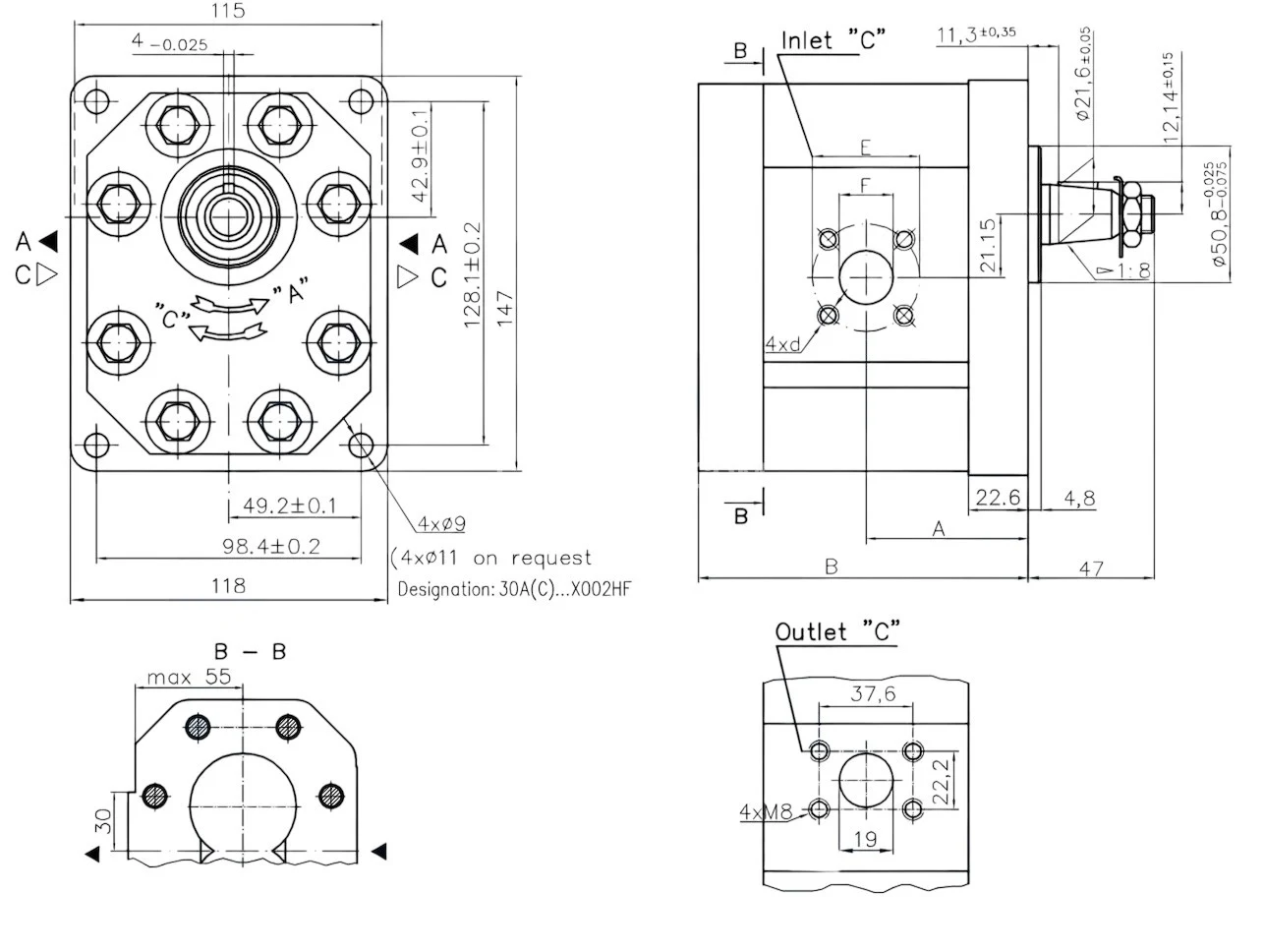
насос шестеренный 30A28X068NH INDUSTRIALTECHNIC
✓ Сертифицированное оборудование
✓ Гарантия надежной эксплуатации
✓ Контроль качества на каждом этапе
✓ Современное оборудование
✓ Быстрая отгрузка
Технические характеристики:
Номинальная подача, л/мин: 25
Номинальное давление на выходе, МПа: 25
Частота вращения, об./мин.: 800
Масса, кг: 5

Шестеренные насосы с внешним зацеплением являются самыми распространёнными насосами в современных гидравлических системах. Они отличаются универсальностью, прочностью и длительным сроком службы. Простота конструкции обеспечивает экономичность в эксплуатации.
Наши насосы соответствуют высоким стандартам качества благодаря последовательному улучшению дизайна, тщательному отбору материалов и строгому контролю производственных процессов, а также проведению испытаний серийно выпускаемых деталей. Это позволяет им эффективно работать в сложных условиях и передавать значительную гидравлическую энергию.
Корпус насоса изготавливается из высокопрочного алюминиевого сплава, в то время как фланец и крышка сделаны из глобулярного чугуна, что уменьшает риск деформации при колебаниях давления. Колёса выполнены из специальной стали и проходят процессы цементации и закалки, а затем шестерни обрабатываются до получения высокой шероховатости поверхности, что гарантирует низкий уровень пульсаций и шума в процессе работы.
Перед началом эксплуатации системы рекомендуется предпринять несколько простых предосторожностей:
- Убедитесь, что направление вращения нереверсивного насоса соответствует всасывающей стороне.
- Проверьте правильное положение вала насоса, чтобы избежать осевых и радиальных нагрузок на соединение.
- Защитите уплотнение ведущего вала во время покраски, чтобы избежать загрязнения контакта уплотнения и вала.
- Удалите грязь и посторонние предметы с присоединительных фланцев.
- Удостоверьтесь, что всасывающие и сливные трубопроводы находятся ниже уровня жидкости и максимально удалены друг от друга, при необходимости разместите насос ниже уровня жидкости.
- Заполните насос рабочей жидкостью и проверьте его проходимость, отсоединив дренаж при запуске для удаления воздуха.
- Установите минимальное значение предохранительного клапана на первом запуске.
- Избегайте работы мотора на минимальных скоростях и превышения давления.
- Не запускайте систему под нагрузкой при низких температурах после длительной остановки; сначала запустите систему, затем через несколько минут включите все компоненты и удалите воздух из системы.
- Проверяйте уровень жидкости в баке после нагрузки.
- Постепенно увеличивайте давление, периодически проверяя уровень жидкости, температуру движущихся частей и скорость вращения до достижения установленных значений.