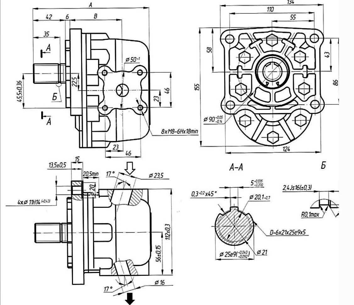
насос шестеренный НШ32А-3Л
✓ Сертифицированное оборудование
✓ Гарантия надежной эксплуатации
✓ Контроль качества на каждом этапе
✓ Современное оборудование
✓ Быстрая отгрузка
Технические характеристики:
Номинальная подача, л/мин: 68,6
Номинальное давление на выходе, МПа: 16
Частота вращения, об./мин.: 40
Масса, кг: 7

Насосы шестеренные НШ16Г-3, НШ16В-3, НШ16Д-3, НШ16Е-3, НШ16Т-3 (правое вращение) и насосы НШ16Г-3Л, НШ16В-3Л, НШ16Д-3Л, НШ16Е-3Л, НШ16Т-3Л (левое вращение) имеют рабочий объём 15,6 см³ и номинальное давление на выходе 16 МПа. Они предназначены для подачи рабочей жидкости в гидравлические системы тракторов и других сельскохозяйственных машин.
Насосы НШ 16Г-3, НШ 16В-3, НШ 16Д-3, НШ 16Е-3 и НШ 16Т-3 доступны в вариантах с левым и правым вращением, в зависимости от их сборки. Левое вращение означает, что ведущий ротор вращается против часовой стрелки, а правое – по часовой стрелке, если смотреть со стороны привода.
Пример условного обозначения насоса: насос НШ16Г-3, где:
НШ - шестеренный насос;
16 - рабочий объем насоса (15,6 см³);
Г - условное обозначение завода-производителя;
3 - номинальное давление 16 МПа на выходе насоса;
Л - обозначение направления вращения ведущего ротора - левое, если смотреть со стороны привода (правое направление не обозначается).
Перед установкой насоса НШ16 убедитесь, что направление вращения вала ведущей шестерни, указанное на крышке насоса, совпадает с направлением вращения привода (выходного вала редуктора или электродвигателя и т. д.). Привод должен исключать передачу радиальных и осевых нагрузок на ведущий вал насоса, а также обеспечивать возможность его радиальных перемещений до 0,3 мм.
Насосы конструкции НШ16Г-3 имеют сквозной равнопрочный корпус, что предотвращает перекос качающего узла и обеспечивает надёжную работу насоса на протяжении всего срока эксплуатации. Они могут работать в гидросистемах мобильной техники с давлениями до 25 МПа. В качестве рабочей жидкости для насосов третьего исполнения (НШ16Г-3(Л),НШ16В-3(Л),НШ16Д-3(Л),НШ16Е-3(Л),НШ16Т-3(Л)) рекомендуется использовать:
летом — моторное масло М-10В2, зимой — масла М-8Г1 или М-8Г2.