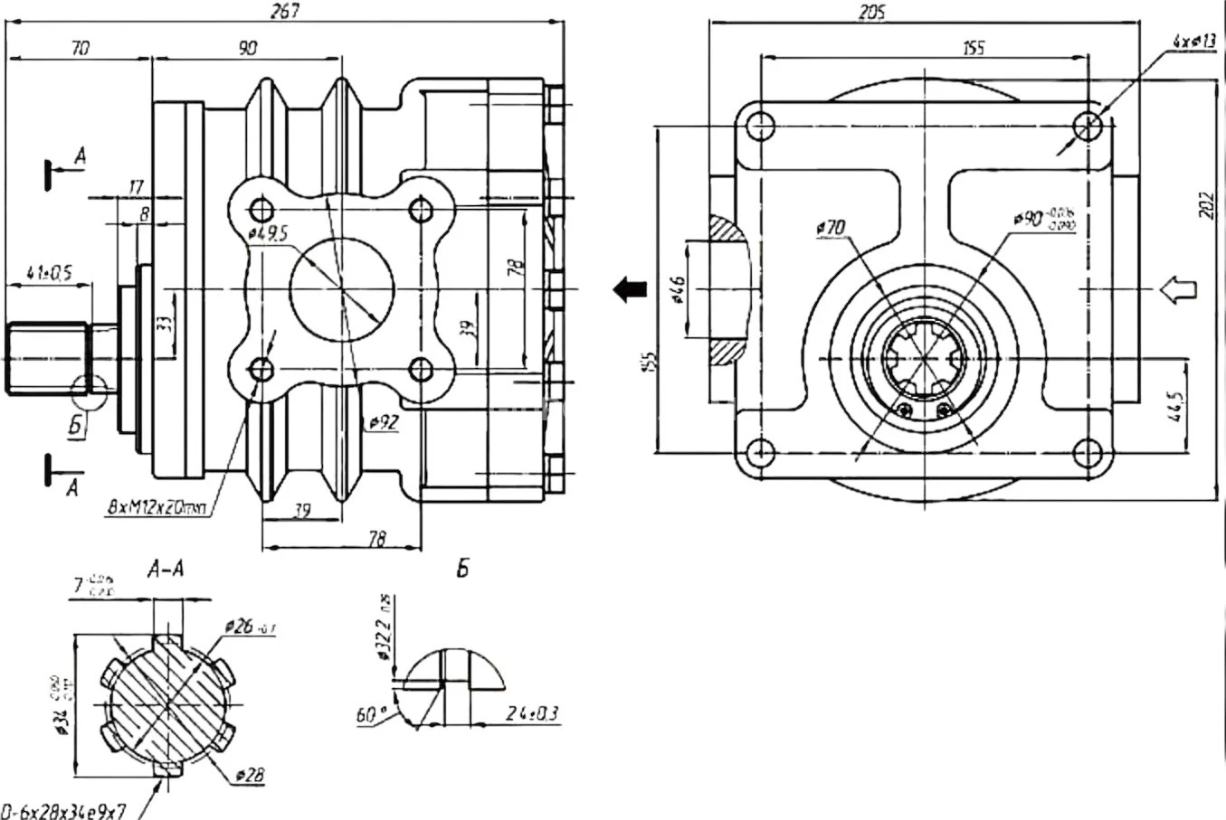
насос шестеренный НШ71А
✓ Сертифицированное оборудование
✓ Гарантия надежной эксплуатации
✓ Контроль качества на каждом этапе
✓ Современное оборудование
✓ Быстрая отгрузка
Технические характеристики:
Номинальная подача, л/мин: 98,3
Номинальное давление на выходе, МПа: 16
Частота вращения, об./мин.: 32
Масса, кг: 16,25

Насосы шестеренного типа (также известные как шестерёнчатые) модели НШ100-4, НШ100А-3, НШ71-4 и НШ71А-3 с правым вращением, а также НШ100-4 Л, НШ100А-3 Л, НШ71-4 Л и НШ71А-3 Л с левым вращением имеют рабочий объём 100 и 71 см³ соответственно. Они создают номинальное давление на выходе, равное 20 МПа для моделей НШ100-..., НШ71-... и 16 МПа для НШ100А-..., НШ71А-..., и предназначены для подачи рабочей жидкости в гидравлические системы тракторов, сельскохозяйственной и другой техники.
Насосы НШ 100 и НШ 71 могут быть как левосторонними (обозначение с буквой Л в конце),так и правосторонними (без специального обозначения),в зависимости от конструкции. Левосторонние насосы имеют ведущий ротор, вращающийся против часовой стрелки, тогда как правосторонние вращаются по часовой стрелке, если смотреть со стороны привода.
Пример обозначения насоса:
НШ100А-3 Л, где:
- НШ - шестерённый насос;
- 100 - рабочий объём (см³);
- А - код производителя;
- 3 - номинальное давление 16 МПа на выходе;
- Л - левое вращение ротора, если смотреть со стороны привода (правое не указывается).
Конструкция соединения всасывающей гидролинии насоса должна обеспечивать полную герметичность. Направление потока жидкости на входе в насос должно быть не более 1,5 м/с, а сама гидролиния должна быть максимально короткой, с минимальным количеством изгибов и без кранов, фильтров и клапанов.
Напорная гидролиния насосов НШ 100-4 и НШ 100А-3 (НШ 71-4 и НШ 71А-3) должна обеспечивать скорость жидкости не более 5 м/с, также будучи максимально короткой и с минимальными изгибами, сужениями и угловыми соединениями. Если имеются угловые соединения, скорость не должна превышать 3,5 м/с. В этой линии необходимо предусмотреть место для установки контрольного манометра, а потери давления в системе не должны превышать 0,6 МПа.
Рекомендации по установке насосов НШ100 и НШ71:
Не допускается передача механических усилий от деформации присоединяемых гидролиний на насосы НШ. Для снижения влияния вибраций и пульсаций давления в напорной гидролинии целесообразно установить компенсатор. Скорость изменения давления в гидросистеме при увеличении не должна превышать 100—350 МПа/с, а при снижении — 1000 МПа/с. Фильтры должны иметь номинальную степень фильтрации не более 25 мкм и располагаться в удобном для обслуживания месте. Рекомендуется устанавливать устройства для принудительной заливки жидкости через фильтр с тонкой очисткой (25 мкм),чтобы предотвратить загрязнение рабочей жидкости при заправке.
Объём гидробака должен составлять не менее одной трети от объёма двухминутной подачи насоса НШ, в зависимости от рабочих условий, и превышать заполняемый объём гидравлической системы, чтобы обеспечить требуемый температурный режим. Внутри гидробака должна быть перегородка на высоту 2/3 от уровня масла.
Всасывающее отверстие должно находиться на дне гидробака, на расстоянии не менее трёх диаметров трубы от стенки и двух диаметров от дна. Сливное отверстиe должно располагаться ниже минимального уровня жидкости в баке. Необходимо установить указатель уровня жидкости закрытого типа.
Воздух, попадающий в бак через сапун, должен быть тщательно очищен. Уровень рабочей жидкости должен быть выше входного отверстия насоса на 150 мм, а гидроцилиндры должны оборудоваться устройством, предотвращающим образование вакуума при опускании рабочего органа, чтобы избежать засасывания воздуха и износа деталей насосов НШ и других компонентов системы.
Также рекомендуется использовать разгрузочные устройства в цилиндрах, которые снижают пиковые давления при приближении поршня к крайним положениям, что позволяет сократить время работы системы в режиме предохранительного клапана.
При установке и снятии компонентов гидравлического привода, а также замене масла, необходимо соблюдать чистоту. Масло является рабочей жидкостью и одновременно обеспечивает смазку подшипников насоса, поэтому его загрязнение механическими примесями или влагой может привести к повреждениям и выходу из строя насосов.