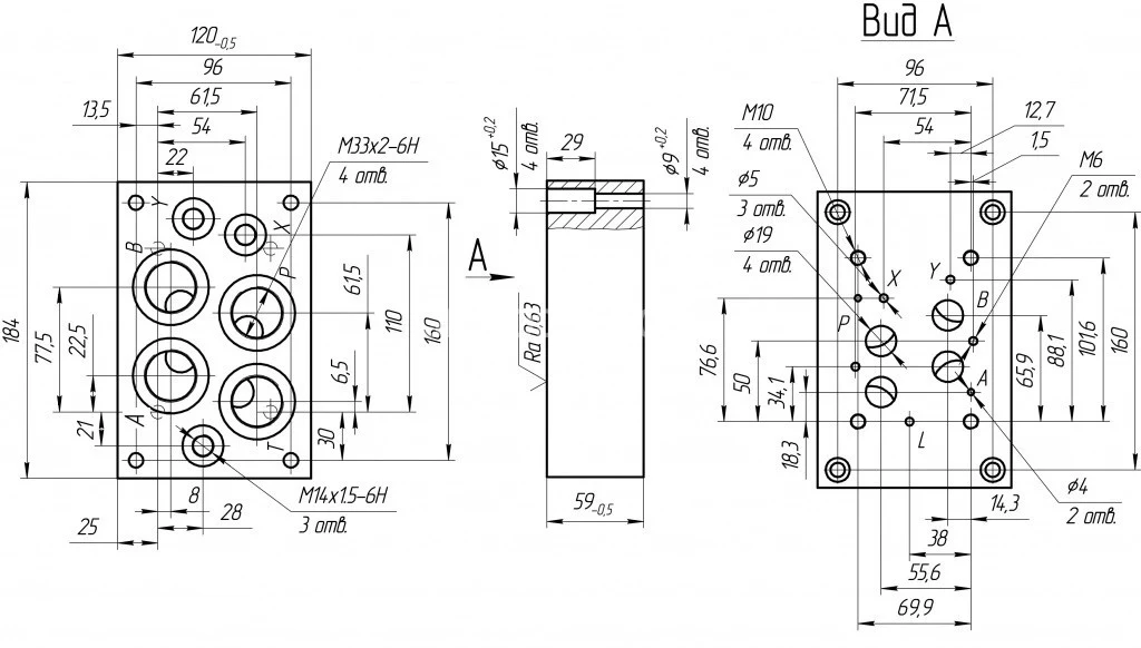
плита монтажная к ВЕХ16.130350 (трубный монтаж вниз)
✓ Сертифицированное оборудование
✓ Гарантия надежной эксплуатации
✓ Контроль качества на каждом этапе
✓ Современное оборудование
✓ Быстрая отгрузка
Гидроплита с боковыми отверстиями для монтажа предназначена для гидрораспределителей ВЕХ16 и изготовлена из стали. Она имеет выходы по всем сторонам с присоединением 3/4".
В нашей компании также доступна переходная плита Ду16 с выходами вниз.
Эта монтажная плита предназначена для гидрораспределителя ВЕХ16 с выводом вбок. Переходная плита разработана для упрощения интеграции между гидрораспределителем ВЕХ16 и другими элементами гидравлической системы. Изготовленная из высококачественных материалов, она обеспечивает надежное и долговечное соединение.
Плита обладает точной совместимостью, идеально подходит для ВЕХ16, гарантируя надежную посадку. Её прочная конструкция обеспечивает долгий срок службы и защиту от износа. Установка проходит быстро и легко, что экономит ваше время и усилия. Плита совместима с различными компонентами гидравлической системы, позволяя гибко настраивать конфигурацию. Она также обеспечивает оптимальную передачу гидравлической жидкости, что способствует повышению общей эффективности системы.
Преимущества включают улучшенную интеграцию гидравлической системы, высокую надежность и долговечность, упрощенную установку, расширенные возможности конфигурации и оптимизированную производительность.
