Пневмодроссель с обратным клапаном GR M5 FESTO
✓ Сертифицированное оборудование
✓ Гарантия надежной эксплуатации
✓ Контроль качества на каждом этапе
✓ Современное оборудование
✓ Быстрая отгрузка
Технические характеристики:
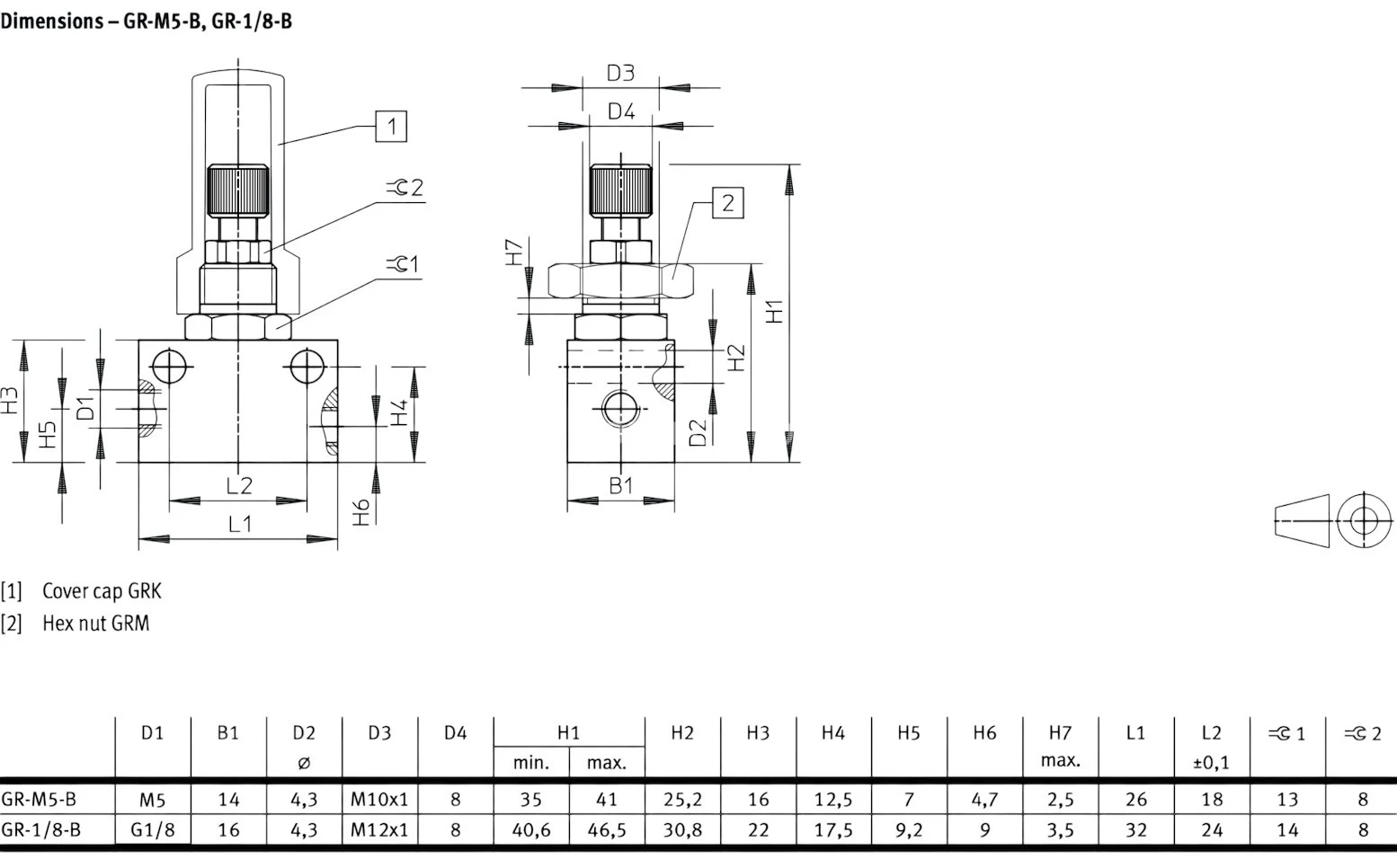
Условный проход , мм.: 3
Номинальное давление, МПа: 1,5
Присоединение: резьбовые отверстия G1/8
Масса, кг.: 0,31

Дроссель с обратным клапаном Festo GR M5 предназначен для установки на трубопроводе и обеспечивает направление регулирования расхода сжатого воздуха в одну сторону.
Основные характеристики
Дроссели серии GR работают с чистым сжатым воздухом (с или без масла). Выпускаются в двух вариантах исполнения:
Металлический. Основные узлы дросселей GR изготовлены из латуни, высоколегированной стали, оцинкованной стали, алюминия и цинковой литни. Уплотнения выполнены из нитриловой резины.
Технополимерный. Конструктивные элементы из высоколегированной стали, армированного полиамида и полиацеталя. Уплотнения — нитриловая резина.