Пневмораспределитель 231-02-01
✓ Сертифицированное оборудование
✓ Гарантия надежной эксплуатации
✓ Контроль качества на каждом этапе
✓ Современное оборудование
✓ Быстрая отгрузка
Технические характеристики:
Условный проход, мм: 10
Номинальное давление, МПа: 1
Тип монтажа: резьбовой
Масса , кг.: 0,9

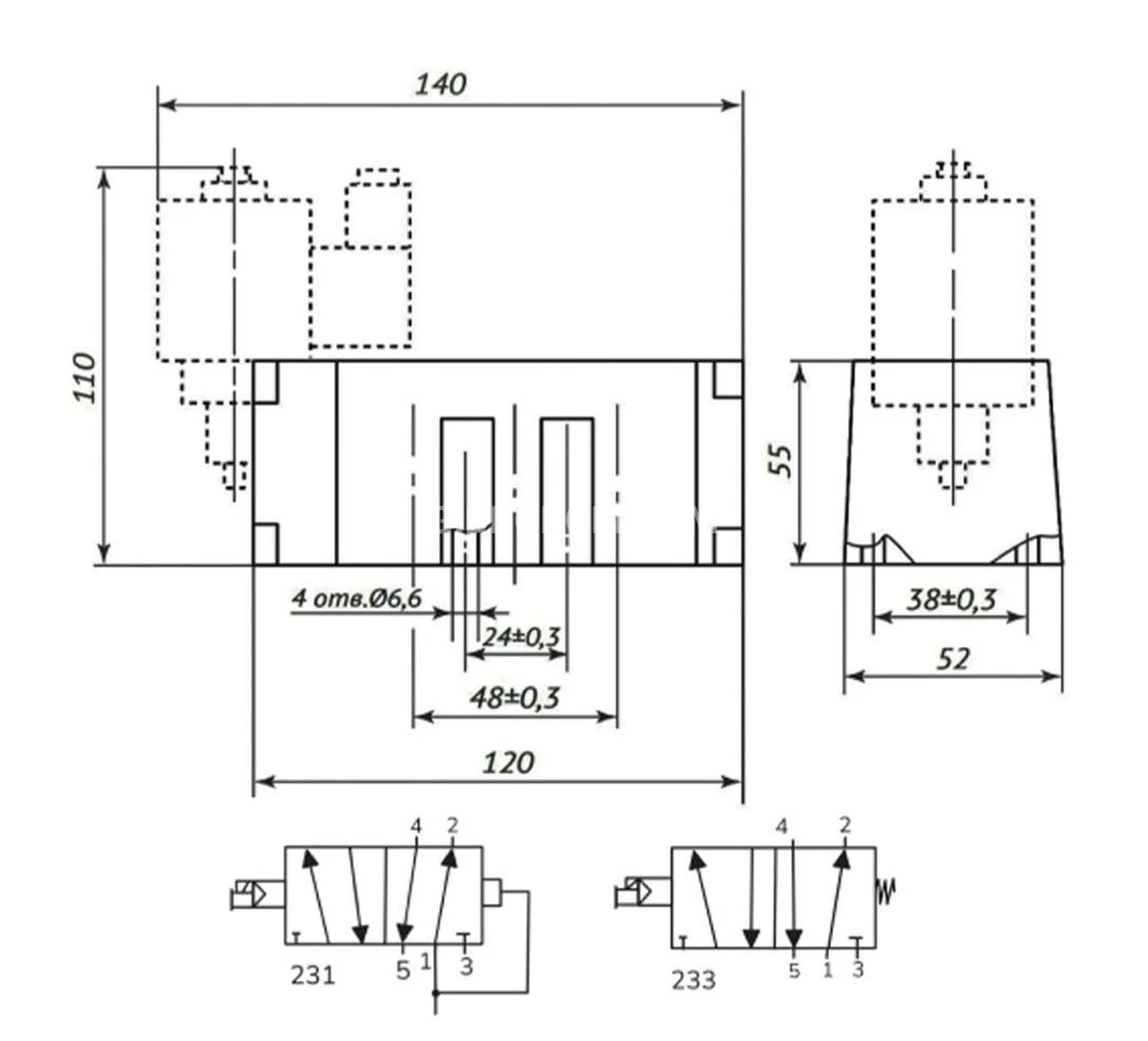
Пневмораспределители пятилинейного типа с односторонним электроправлением (один электромагнит П-ЭПР3) 5Р2-231-...2, 5Р2-233-...2 предназначены для изменения маршрутов и перекрытия потоков сжатого воздуха в пневматических системах, работающих при давлении до 1 МПа (10 бар). Выпускаются как с двухсторонним электромеханическим управлением в конфигурации со стыковым соединением без монтажной плиты (5Р2.231-02, 5Р2.233-02),так и на плитах для трубного монтажа (5Р2.231-12, 5Р2.233-12).
Отверстия для присоединения внешних пневмолиний с монтажной плитой маркируются так:
- 1 — подвода воздуха;
- 2 и 4 — выхода к потребителю;
- 3 и 5 — выход в атмосферу;
- 12 — подвода давления управления (при наличии соединяются линии 1 и 2, 4 и 5);
- 14 — подвода давления управления (при наличии соединяются линии 1 и 4, 2 и 3).
Для пневмораспределителей 5Р2 без монтажной плиты стыковая поверхность 2 выполняется по ДСТУ 2144-93 (ГОСТ 30016-93). Распределители 5Р2 применяются в пневматических системах с давлением до 1,0 МПа (10 кгс/см²),очищенного не менее чем до 10 класса загрязненности по ГОСТ 17433 и содержащего распыленное масло вязкостью 10–35 мм²/с (10–35 сСт) при температуре 50 °С, с концентрацией 1–2 капли на 1 м³ воздуха, приведенного к нормальным условиям (20 °С, 101325 Па).
Климатические исполнения УХЛ и О, категория размещения 4 по ГОСТ 15150. Исполнение О — только для стран с тропическим климатом. Виброустойчивость и вибропрочность распределителей соответствуют II степени жесткости по ГОСТ 28988. Степень защиты оболочки электромагнита — IP 54 по ГОСТ 14254. Превышение температуры нагрева обмотки над окружающей температурой не более 85 °С. Размер монтажной поверхности — 2 по ИСО 5599/1. Монтажное расположение пневмораспределителей допускается любым.
Примечание: пневмораспределители, поставляемые без монтажной плиты, комплектуются следующими монтажными деталями: четыре винта ГОСТ 11738-84 М6-6gx45.66.019 и одна прокладка.
Пример условного обозначения двухпозиционного распределителя с односторонним электропневматическим управлением и ручным дублированием с пневматическим возвратом, с монтажной плитой размером стыковой поверхности 2, без индикации управляющего сигнала, с подключением к электросети через разъем, для переменного тока 50 Гц и номинальным напряжением 110В, для районов с умеренным и холодным климатом, категория размещения 4:
Пневмораспределитель 5Р2.231-12-0-1-А110 УХЛ4
Возможные варианты исполнения пневмораспределителя 5Р2 с односторонним электроправлением:
5Р2-231-12-0-1-А220, 5Р2-233-12-0-1-А220, 5Р2-231-12-0-1-А110, 5Р2-233-12-0-1-А110, 5Р2-231-02-0-1-А220, 5Р2-233-02-0-1-А220, 5Р2-231-02-0-1-Д24, 5Р2-233-02-0-1-Д24.