Пневмораспределитель 232-1
✓ Сертифицированное оборудование
✓ Гарантия надежной эксплуатации
✓ Контроль качества на каждом этапе
✓ Современное оборудование
✓ Быстрая отгрузка
Технические характеристики:
Условный проход, мм: 16
Номинальное давление, МПа: 1
Тип монтажа: резьбовой
Масса , кг.: 0,9

Золотниковые пневмораспределители 5Р4-231, 5Р4-232-..., 5Р4-211-..., 5Р4-212-..., 5Р4-311-..., 5Р4-331-... относятся к пятилинейной конструкции и предназначены для изменения направления и перекрытия потоков сжатого воздуха в пневмосистемах. В зависимости от пневмосхемы они могут управляться односторонним или двусторонним пневмоуправлением, а также электропневмоуправлением (с электромагнитами).
Эти распределители выпускаются с соединением типа стык или трубопроводное. Монтаж по трубному способу осуществляется с использованием монтажных плит.
Инструкции по применению.
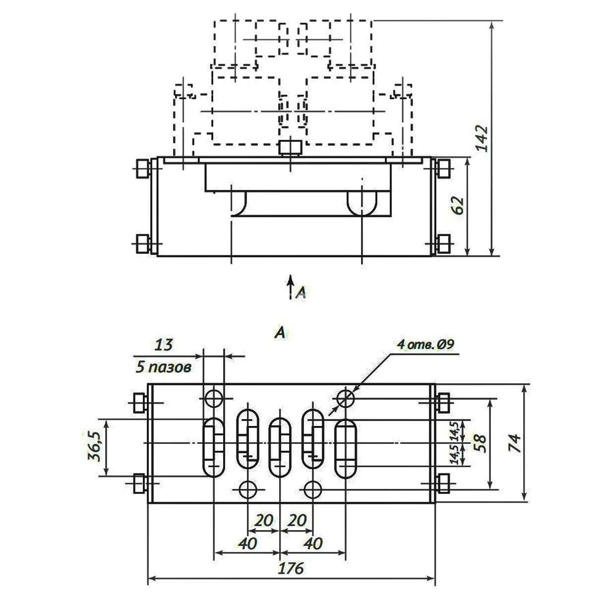
Маркировка отверстий для соединения распределителя с монтажной плитой:
1 — подвод воздуха;
2 и 4 — выход к потребителю;
3 и 5 — выход в атмосферу;
12 — подвод давления управления, которое при наличии соединяет линии 1 и 2, 4 и 5;
14 — подвод давления управления, которое при наличии соединяет линии 1 и 4, 2 и 3.
Габаритные размеры стыковой поверхности (без монтажной плиты) для распределителей 5Р4-2 по ДСТУ 2144-93 (ГОСТ 30016-93).
Распределители 5Р4 применяются в пневматических системах, работающих при давлении сжатого воздуха до 1,0 МПа (10 кгс/см²),очищенного не грубее 10 класса загрязнений по ГОСТ 17433 и содержащего распыленное масло вязкостью 10–35 мм²/с (10–35 сСт) при температуре 50°C с концентрацией 1–2 капли на 1 м³ воздуха, приведенного к нормальным условиям (температура 20°C, давление 101325 Па).
Климатические исполнения УХЛ и О, категория размещения — 4 по ГОСТ 15150. Исполнение О предназначено только для стран с тропическим климатом.
Виброустойчивость и вибропрочность соответствуют II степени жесткости по ГОСТ 28988.
Степень защиты оболочки электромагнитов электромеханического управления распределителя — IP 54 по ГОСТ 14254.
Разрешается увеличение температуры нагрева обмотки катушки распределителя не более чем на 85°C выше температуры окружающей среды.
Размер монтажной поверхности — 2 по ISO 5599/1.