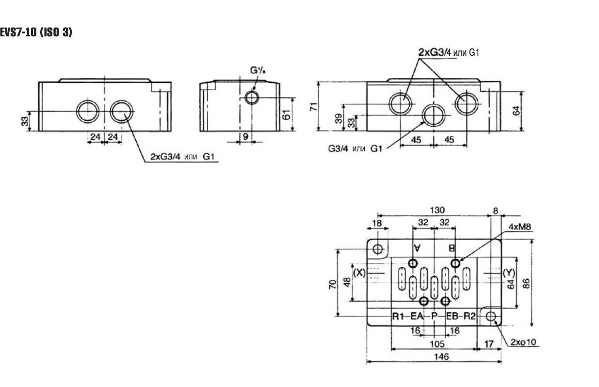
Пневмораспределитель EVS7-10-FG-D SMC
Оставить отзыв
Есть в наличии
Безопасность и конфиденциальность
✓ Сертифицированное оборудование
✓ Гарантия надежной эксплуатации
Гарантия доставки
✓ Контроль качества на каждом этапе
✓ Современное оборудование
✓ Быстрая отгрузка
Технические характеристики:
Условный проход , мм.: 7
Номинальное давление, МПа: 1
Масса, кг.: 0,4




VS7-10, пневмораспределитель с электромагнитным приводом по стандарту ISO, притертый металлический золотник, размер 2.
Распределитель с электромагнитным клапаном по ISO, размер 2.
Рабочая среда: воздух или инертный газ.
Рабочее давление: от 0,1 до 1,0 МПа.
Поверхность управления: один или два электромагнита.
Опции: световая сигнализация, прямой ручной сброс, клиновая фиксация, индивидуальный пилотный выхлоп, искрогашение.