Пневмораспределитель MCH-3-1/8 FESTO
Оставить отзыв
Есть в наличии
Безопасность и конфиденциальность
✓ Сертифицированное оборудование
✓ Гарантия надежной эксплуатации
Гарантия доставки
✓ Контроль качества на каждом этапе
✓ Современное оборудование
✓ Быстрая отгрузка
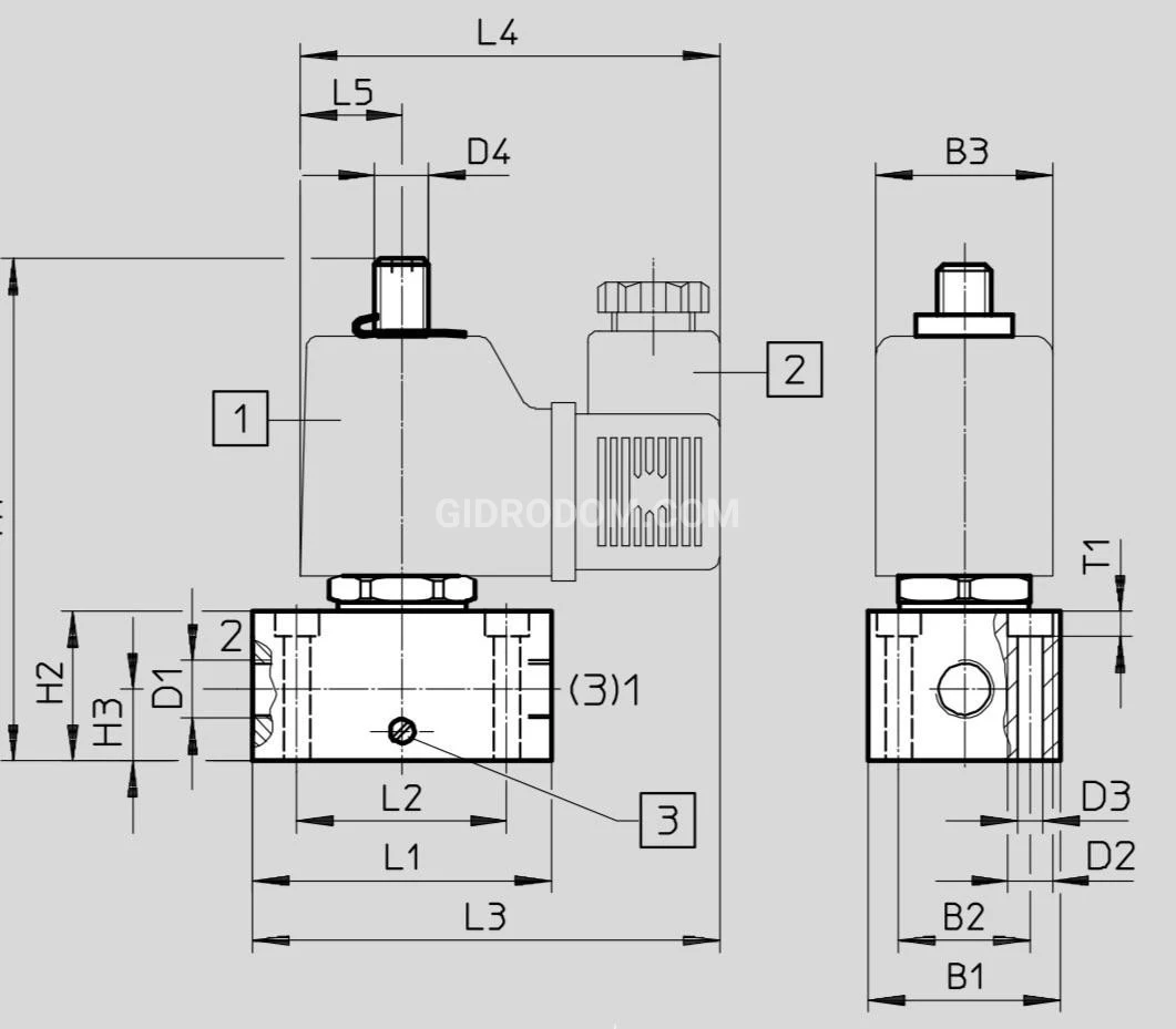
Технические характеристики:
Условный проход , мм.: 2,5
Номинальное давление, МПа: 1
Масса, кг.: 0,4


Электрически управляемый распределитель Festo MCH-3-1/8 — универсальное устройство для управления потоком очищенного сжатого воздуха. Распределитель серии MCH рассчитан на работу с сжатым воздухом, в котором присутствуют капли масла.