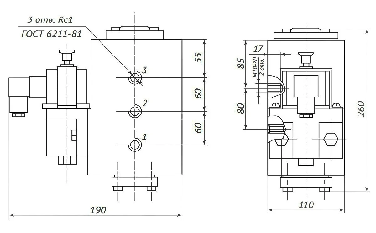
Пневмораспределитель РЭП1.1.25
✓ Сертифицированное оборудование
✓ Гарантия надежной эксплуатации
✓ Контроль качества на каждом этапе
✓ Современное оборудование
✓ Быстрая отгрузка
Технические характеристики:
Условный проход , мм.: 25
Номинальное давление, МПа: 0,63
Напряжение, В.: 12,24,38,48 ( постоянный ток)
110,220,380 (переменный ток)
Пропускная способность, Kv, м³/ч, не менее: 6,3
Масса , кг.: 9

Пневмораспределители трех- и четырехлинейные клапанные РЭП1.1, РЭП1.2, РЭП2.1, РЭП2.2 применяются для управления цилиндрами больших диаметров (от 100 до 500 мм).
Пневмораспределитель РЭП характеризуется высокой надежностью и быстродействием, способен работать при экстремальных температурах. Конструктивное исполнение распределительного блока обеспечивает повышенную устойчивость к попаданию твердых частиц и капельной влаге в рабочей среде (сжатый воздух класса загрязненности 10 по ГОСТ 17433-80).
Приведены чертежи всех модификаций и таблица основных технических параметров пневмораспределителей (клапанов) РЭП.