Пневмораспределитель В63-25А-01
✓ Сертифицированное оборудование
✓ Гарантия надежной эксплуатации
✓ Контроль качества на каждом этапе
✓ Современное оборудование
✓ Быстрая отгрузка
Технические характеристики:
Условный проход, мм: 20
Номинальное давление, МПа: 0,63
Тип монтажа: стыковой
Масса , кг.: 2

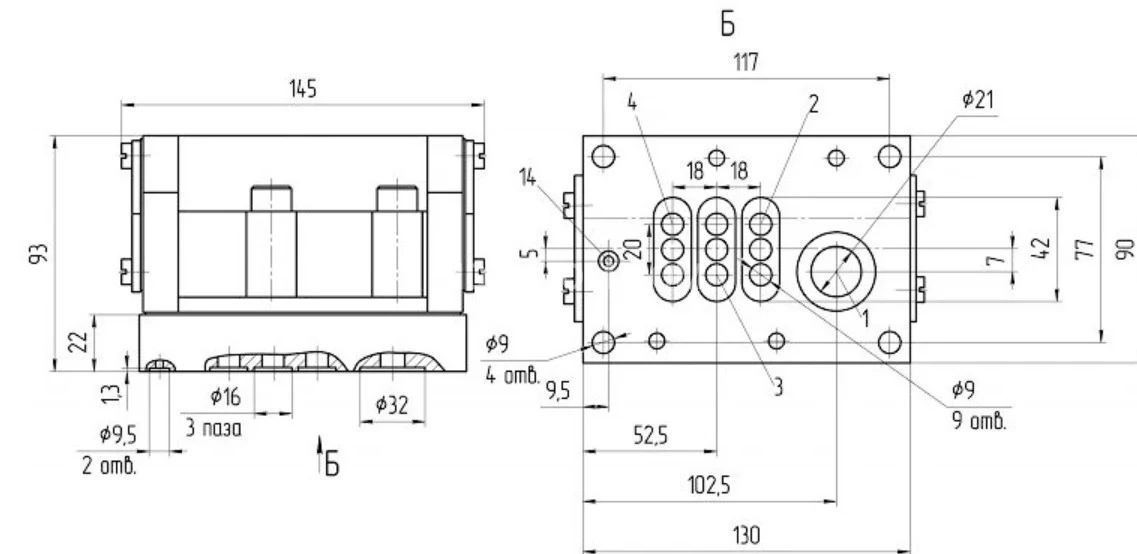
Пневмораспределители В63-14А-01, В63-15А-01, В63-25А-01, В63-24А-01, В63-34А-01 со стыковым подключением к пневмолиниям являются четырехканальными двухпозиционными устройствами с управлением воздухом как с одной, так и с двух сторон, и с возвратом пружинным или пневматическим. Они предназначены для изменения направлений потока сжатого воздуха в пневмоприводах различного назначения.
Конструкция и принцип работы пневмораспределителей В63 со стыковым подключением к пневмолиниям аналогичны соответствующим устройствам с резьбовым подключением. Единственное различие в конструкции состоит в способе присоединения: через переходную планшету (отверстия в пневмораспределителе находятся снизу) либо через резьбовые соединения (отверстия расположены по бокам).