Пневмоцилиндр 40M2L080A0125
✓ Сертифицированное оборудование
✓ Гарантия надежной эксплуатации
✓ Контроль качества на каждом этапе
✓ Современное оборудование
✓ Быстрая отгрузка
Основные параметры клапана:
Диаметр цилиндра, мм: 80
Длина цилиндра: 125
Давление нагнетания ном., МПа: 1

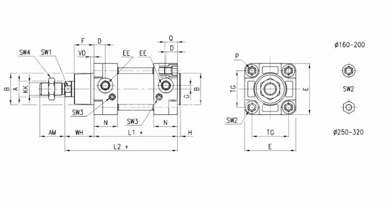
Пневмоцилиндр Camozzi 40M2L080A0125 — двустороннего действия с регулируемым демпфированием в обе стороны. Устройство магнитное, диаметр цилиндра 80 мм, ход поршня 125 мм.
Стандарты: DIN/ISO 6431, VDMA 24562.
Конструкция: наружные стяжки.
Присоединение: G3/8".
Действие: двустороннее, с магнитным датчиком.
Диаметр цилиндра: 80 мм.
Длина хода поршня: 125 мм.
Рабочая температура: 0° … +80°С.
Рабочее давление: 1 … 10 бар.
Демпфирование: с настройкой интенсивности торможения в обе стороны.
Крепление датчиков: на стяжках с кронштейнами S-CST-26.
Используемые датчики: серии CST, CSH.
Материалы: гильза — анодированный алюминий, крышки — алюминий, шток — нержавеющая сталь AISI-420B, поршень — алюминий.
Уплотнения: NBR.
Рабочая среда: очищенный до 25 мкм сжатый воздух по ISO 8573-1:2010 с распыленным маслом и без него.
Эти цилиндры оснащены устройствами демпфирования в конце хода с регулировкой интенсивности торможения. Плюс к этому поршень имеет пластиковые шайбы для бесшумной остановки в крайних положениях.
В передней крышке цилиндра установлена бронзовая направляющая втулка, по которой перемещается шток. На поршне цилиндров закреплены постоянные магниты. Положение поршня определяется магнитными датчиками положения, крепящимися на стяжках цилиндра.