регулятор расхода (дроссель) Г55-4А
✓ Сертифицированное оборудование
✓ Гарантия надежной эксплуатации
✓ Контроль качества на каждом этапе
✓ Современное оборудование
✓ Быстрая отгрузка
Технические характеристики:
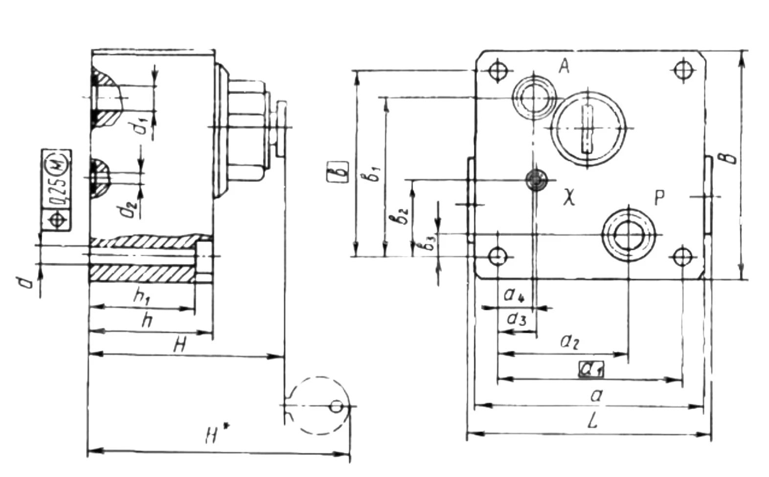
Условный проход, мм.: 10
Номинальное давление на выходе, МПа: 0,5
Номинальный расход рабочей жидкости, л./мин: 20
Тип монтажа: стыковой
Масса, кг.: 3

Регулятор расхода Г55-3 представляет собой сложный пассивно управляемый гидравлический механизм специального назначения. Он предназначен для контроля и поддержания стабильной скорости работы исполнительных устройств в гидравлических системах независимо от внешней нагрузки. Его можно применять в любом оборудовании с соответствующими исполнительными механизмами, например, на металлообрабатывающих сверлильных станках или строительных экскаваторах.
Принцип работы гидродросселя Г55-3 заключается в поддержании стабильного давления на выходе, который направляется к исполнительному механизму. В конструкции устройства предусмотрены как дроссель, так и золотник, который подпружинен. Рабочая жидкость преодолевает сопротивление пружины во время своего движения. При низком механическом моменте на исполнительном механизме давление падает, а при высоком — возрастает. Пропуск жидкости изменяется, и при снижении расхода лишняя жидкость возвращается в масляный бак.
Г55-3 обладает универсальностью применения в рамках заданных технических характеристик. Эти агрегаты работают на минеральных маслах с определенными требованиями к химическому составу. Класс чистоты должен быть не ниже 13, что соответствует стандартам ГОСТ 17216-71. Температура работы оборудования должна варьироваться от 0 ºС до +40 ºС, а температура жидкости — от +10 до +70 ºС. Кинетическая вязкость масла должна находиться в пределах от 10 до 250 сСт, с стандартной тонкостью фильтрации в 25 мкм.
Конструкция имеет аналогичный состав, включающий следующие элементы:
- втулки,
- контргайки,
- втулки-дросселя,
- винты,
- пробки,
- валики,
- лимбы,
- пружины,
- указатели оборотов,
- штифты,
- корпуса.
Для обеспечения максимального срока службы этих элементов необходимо строго следовать указанным требованиям к качеству масла, иначе могут возникнуть поломки и преждевременный выход из строя. Дроссели пропускают масло через входное отверстие, выводимое из гидросистемы. Жидкость проходит через зазор между двумя втулками, и для изменения расхода масла достаточно изменить диаметр проходного сечения, передвигая втулку-дроссель с помощью винта или пружины. Крутящий момент передается на лимб, который создает давление на винт; всего четыре оборота лимба могут изменить диаметр отверстия.
Треугольная форма обеспечивает отличную работу даже при минимальном открытии, что предотвращает засорение проходного сечения. Уникальность конструкции заключается в острых кромках по периметру отверстия, благодаря чему температура больше не влияет на расход масла.