Реле давления РД4/25-М
✓ Сертифицированное оборудование
✓ Гарантия надежной эксплуатации
✓ Контроль качества на каждом этапе
✓ Современное оборудование
✓ Быстрая отгрузка
Основные параметры :
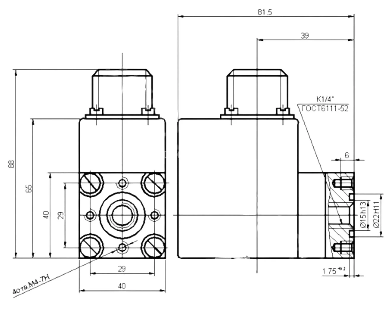
Тип монтажа: стыковое
Давление ном., МПа: 2,5
Зона нечувствительности, МПа: 2,2
Масса, кг: 0,28

Реле давления РД-4/25 и РД-4/25М с подключением 1/4" и их варианты РД-4/25(М)-10 для стыкового монтажа предназначены для контроля рабочей среды по давлению и выдачи электрического сигнала при его превышении в пневматических, гидравлических системах различного назначения (включая вулканизационное) и в смазочном оборудовании, работающих при номинальном давлении 2,5 МПа.
Рабочие (контролируемые) среды для реле РД 4/25:
- очищенный сжатый воздух с степенью загрязненности не выше 10 по ГОСТ 17433;
- минеральное масло с кинематической вязкостью от 4 до 400 мм^2/с (Ст) и с номинальной степенью очистки фильтра не выше 13 по ГОСТ 17216, температура масла от +10 до +55 °C;
- парово-водяная смесь с температурой до +60 °C.
Климатическое исполнение УХЛ и О, категория размещения 4 по ГОСТ 15150.
Степень защиты от внешних воздействий окружающей среды — IP20 по ГОСТ 14254.
Виброустойчивость и вибропрочность — 1-я степень жесткости по ГОСТ 28988.
Монтажное положение — любое, крепление на обработанной плоскости четырьмя винтами М4.
Реле давления состоит из следующих элементов: нижний фланец 1 и верхний 2, мембранный узел (мембраны 3 и жесткий центр 4),толкатель 5, регулировочная втулка 6, пружина 7, гайка 8, микровыключатель 9, установленный на кронштейне 10, винт 11 и гайка 12, предназначенные для регулировки положения микровыключателя, электрическая соединительная вилка 13.
Контролируемая среда подводится в подмембранную полость через отверстие нижнего фланца 1.
Принцип действия РД-4/25 основан на сравнении давления контролируемой среды на мембранный узел и упругой деформации цилиндрической пружины 7. Усилие, возникающее при росте давления контролируемой среды, воспринимается мембраной 3, жестким центром 4 и, через толкатель 5, передается на шток микровыключателя 9, что приводит к переключению его контактов.
Настройка срабатывания реле по давлению осуществляется регулировочной втулкой 6 и пружиной 7. Положение втулки фиксируется гайкой 8. При снижении давления контролируемой среды пружина 7 возвращает мембранный узел в исходное положение, освобождая шток микровыключателя 9 и вызывая обратное переключение контактов.